- 0.7
- 1
- 1.2
- соленоидный клапан
На сайте отображены не все возможные конфигурации товара доступные для заказа через корзину. Если Вы не нашли необходимый вариант, пожалуйста, свяжитесь с нами по электронной почте, WhatsApp или Telegram для уточнения наличия и стоимости.
Готовое комплексное решение для генерации вакуума, индикации и регулирования его давления.
Особенности:
- Три исполнения сопла Лаваля с различными номинальными диаметрами: 0,7, 1,0 и 1,2 мм
- Визуализация и автоматический контроль уровня вакуума с помощью встроенного цифрового реле давления
- Встроенный фильтр на порт вакуума для защиты эжектора от попадания пыли
- Быстрый сброс вакуума продувкой системы с удобной регулировкой интенсивности потока воздуха
- Функция удержания вакуума (только в модификации W)
- Быстрое переключение между режимами работы (генерация вакуума/удержание/сброс) благодаря встроенным клапанам
- Порт вакуума напротив портов подачи и выхлопа
- Компактная и прочная конструкция, корпус из пластика
- Монтаж на поверхность через крепежные отверстия
- Быстрое и надежное подключение благодаря цанговым соединениям
- Для работы не требуется смазка
Принцип работы:

Сжатый воздух от компрессора подается на входной порт (8)и через управляющий соленоидный клапан (4)попадает в эжектор (1). В корпусе эжектора поток воздуха проходит по техническому каналу через сопло Лаваля и создает всасывающий эффект на порте вакуума (9). Далее он вместе с потоком всасываемого воздуха выводится из системы через порт выхлопа (10).
Цифровое реле давления (3) осуществляет контроль уровня вакуума с помощью системы клапанов (4), (5) или (6), в зависимости от модификации.
Воздушный фильтр(2)служит для фильтрации воздуха, поступающего через порт вакуума, для защиты вакуумного эжектора от попадания пыли.
Режим генерации вакуума:
В режиме генерации на клапан (4) поступает электрический сигнал от реле давления, клапан открывается и остается в открытом положении до достижения требуемого уровня вакуума.
Режим удержания вакуума (для модификации W)
Когда необходимый уровень вакуума достигнут, реле давления (3) подает сигнал на закрытие управляющего клапана (4). Эжектор (1) перестает потреблять сжатый воздух от компрессора. Происходит поддержание заданного значения вакуума.
Режим сброса вакуума (для модификаций R, W)
- С помощью соленоидного клапана сброса (для модификации W)
Для запуска продувания системы реле давления (3) подает сигнал на открытие соленоидного клапана сброса (5). Сжатый воздух проходит через клапан сброса (5) и выходит через порт вакуума (9), тем самым разрушая вакуум.
- С помощью клапана выдержки времени (для модификации R)
В режиме генерации происходит накопление воздуха в полости камеры клапана выдержки времени (6). При закрытии управляющего клапана (4) запускается продувание системы в течение заданного времени выдержки (0,3...3 секунды), разрушающее вакуум.
Время выдержки задается изменением объема заполняемой полости с помощью регулятора на торце клапана.
Для настройки скорости потока воздуха при продувании системы используется регулятор (7).
Прибор устанавливается на поверхность через крепежные отверстия ∅ 3,2 мм (11).
Подготовка сжатого воздуха:
Сжатый воздух, поступающий на порт питания должен быть подготовлен в соответствии со стандартом ISO8573-1:2010. Необходимо использовать фильтры-влагоотделители для удаления из сжатого воздуха загрязняющих его частиц, капельной влаги и конденсата.
Также следует обеспечить требуемый уровень давления поступающего в систему сжатого воздуха, не допускать его колебания. Для этой цели используются регуляторы давления. Они обеспечивают поддержание заданного уровня выходного давления при колебаниях входного давления и расхода сжатого воздуха.
Обе эти функции могут быть реализованы в одном приборе фильтре-регуляторе, например, фильтр-влагоотделитель с регулятором давления ФР-Х000.
Модификации прибора. Обозначение для заказа

Технические характеристики:
| Параметр | Значение | ||
| Номинальный диаметр сопла Лаваля | 0,7 мм | 1,0 мм | 1,2 мм |
| Максимальный вакуумный расход | 13 л/мин | 27 л/мин | 38л/мин |
| Потребление сжатого воздуха (при давлении подачи 0,5 МПа) | 23 л/мин | 46 л/мин | 70 л/мин |
| Максимальный уровень вакуума | −93 кПа | ||
| Рабочая среда | Сжатый воздух без содержания масла | ||
| Диапазон рабочего давления | 0,25...0,7 МПа | ||
| Номинальное давление | 0,5 МПа | ||
| Утечка в режиме удержания вакуума | ≤ 1,3 кПа/10 мин | ||
|
Присоединение: - вход сжатого воздуха - выход вакуума - выхлоп |
Цанговое, ∅ 8 мм | ||
| Монтаж | На поверхность, крепежными винтами M3 | ||
| Рабочая температура | +5...+50°С | ||
| Питание (реле давления и соленоидный клапан) | =24 В | ||
| Смазка | Не требуется | ||
|
Вес - R - W |
176 г 168 г |
||
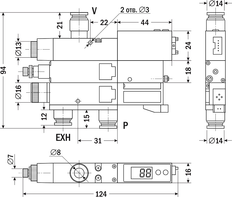
Габаритные размеры:

AW

AR
|
Рабочая температура
|
+5...+50°С |
|
Питание
|
=24 В |
|
Рабочая среда
|
сжатый воздух без содержания масла |
|
Присоединение
|
цанговое, ∅8 мм |
|
Максимальный вакуум
|
−93 кПа |
|
Максимальный вакуумный расход
|
13...38 л/мин (в зависимости от модификации) |
|
Потребление сжатого воздуха
|
23...70 л/мин (в зависимости от модификации) |
|
Диапазон рабочего давления
|
0,25...0,7 МПа |
|
Утечка в режиме удержания вакуума
|
не более 1,3 кПа/10 мин (для модификации W) |
|
Монтаж
|
на поверхность, крепежными винтами M3 |
|
Артикул
|
100010343 |
Онлайн:
Добавьте товары в корзину и оформите заказ следуя инструкциям на экране.
Через онлайн-консультанта:
В рамках рабочего времени, воспользуйтесь функцией On-Line консультанта на сайте. Предварительно подготовьте необходимые данные для оформления заказа и доставки.
После оформления заказа
Обработка заказа:
- В среднем, заявки обрабатываются в течении 1-3х часов в рамках рабочего времени (время может варьироваться в зависимости от загруженности менеджеров).
- Заявки, поступившие после 15:00 (МСК) текущего рабочего дня, будут обработаны в следующий рабочий день.
Возможно, менеджеру придется связаться с Вами, для согласования деталей. Пожалуйста, оставайтесь на связи.
Выставление платежных документов
После проверки наличия заказанных позиций на складах и их резервирования, в Ваш адрес будут отправленны счет или квитанция (для частных лиц) для оплаты заказа.
Внимание!
Условия оплаты и доставки, а также сроки отгрузки указываются в выставляемых на оплату документах. Обращайте внимание на условия указанные для Вас!
- Оплата в любом банке, по предварительно выписанной квитанции.
- Онлайн-оплата квитанции, в т.ч. Сбербанк-онлайн и прочие.
- Наличный расчет и оплата картой (Visa, MasterCard, МИР) в пункте самовывоза (только для Ростова-на-Дону)
- Перечисление средств по предварительно выписанному счету. По требованию клиента поставка сопровождается договором купли-продажи.
Условия оплаты и доставки, а так же сроки отгрузки указываются в выставляемых на оплату документах. Обращайте внимание на условия, указанные для Вас!
Доставка заказов осуществляется до терминала транспортной компании в вашем населенном пункте (наличие терминалов уточняйте на сайте ТК). По прибытии заказа в терминал, Вы можете заказать курьерскую "доставку до дверей".
Оплата услуг доставки осуществляется при получении заказа.
Доставка до грузового терминала ТК в пункте отправления (г. Ростов-на-Дону) осуществляется бесплатно! Вы оплачиваете только услуги междугородной перевозки.
Стоимость доставки Почтой России рассчитывается индивидуально и включается в счет/квитанцию.
Выдача товара осуществляется рабочие дни со склада в г. Ростов-на-Дону, по предварительному согласованию с менеджером.
г. Ростов-на-Дону, 2-я Краснодарская 147/2
Пн-Чт: 9:00 - 16:30 Пт: 9:00 - 15:30
Внимание!
Условия оплаты и доставки, а также сроки отгрузки указываются в выставляемых на оплату документах. Обращайте внимание на условия указанные для Вас!
