- G1"
- G3/4"
- 5500
- 25
На сайте отображены не все возможные конфигурации товара доступные для заказа через корзину. Если Вы не нашли необходимый вариант, пожалуйста, свяжитесь с нами по электронной почте, WhatsApp или Telegram для уточнения наличия и стоимости.
- Диапазон регулировки: 0,05...0,85 МПа
- Расход воздуха: 550...5500 л/мин
- Тонкость очистки: 5 мкм или 25 мкм
- Присоединение: G¼"...G1"
- Рабочая температура: +5...+60°С
- Рабочее давление: 0,05...1 МПа
- Автоматический слив конденсата
Фильтр-влагоотделитель с регулятором давления и автоматическим сливом конденсата ФР-Х000А предназначен для очистки сжатого воздуха от капельной влаги и твердых частиц, удаления конденсата и автоматического поддержания давления на заданном уровне в пневматических системах.
Особенности:
- Регулятор давления и фильтр-влагоотделитель в одном корпусе
- Прибор со встроенным манометром
- Может устанавливаться отдельно или в качестве модуля блока подготовки воздуха
- Автоматический слив конденсата
- Рукоятка регулировки давления легко фиксируется в нужном положении путем нажатия
- Фильтрующий элемент изготовлен из пластика или спеченой бронзовой крошки, легко заменяется
- Материал корпуса: алюминиевый сплав
| Параметр | Значение |
| Рабочая среда | Сжатый воздух |
| Рабочее давление | 0,05...1 МПа |
| Максимальное давление | 1,5 МПа |
| Присоединение | G¼"...G1" |
| Диапазон регулировки | 0,05...0,85 МПа |
| Тонкость очистки | 5 мкм или 25 мкм |
| Присоединение манометра | G⅛"...G¼" |
| Расход воздуха | 550...5500 л/мин |
| Рабочая температура | +5...+60°С |
Модификации:
|
Модель |
Расход воздуха, л/мин |
Присоединение | Присоединение манометра |
Габаритные размеры, мм |
Вес, г |
|
ФР-2000А-14 |
550 |
G¼" |
G⅛" |
180,5×55×86,8 |
360 |
|
ФР-3000А-14 |
2000 |
G¼" |
G⅛" |
268×54×95 |
560 |
|
ФР-3000А-38 |
2000 |
G⅜" |
G⅛" |
268×54×95 |
560 |
|
ФР-4000А-12 |
4000 |
G½" |
G¼" |
319×70×112,2 |
1150 |
|
ФР-4000А-34 |
4500 |
G¾" |
G¼" |
320×70×115,2 |
1210 |
|
ФР-5000А-34 |
5500 | G¾" |
G¼" |
397,5×90×124,7 |
1700 |
|
ФР-5000А-1 |
5500 |
G1" |
G¼" |
397,5×90×124,7 |
1700 |
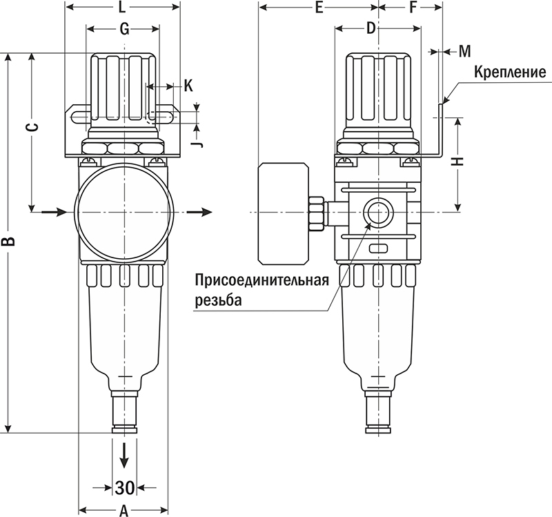
Габаритные размеры:

ФР-2000А
ФР-3000А, ФР-4000А, ФР-5000А

* N – диаметр отверстия в крепежной панели
Онлайн:
Добавьте товары в корзину и оформите заказ следуя инструкциям на экране.
Через онлайн-консультанта:
В рамках рабочего времени, воспользуйтесь функцией On-Line консультанта на сайте. Предварительно подготовьте необходимые данные для оформления заказа и доставки.
После оформления заказа
Обработка заказа:
- В среднем, заявки обрабатываются в течении 1-3х часов в рамках рабочего времени (время может варьироваться в зависимости от загруженности менеджеров).
- Заявки, поступившие после 15:00 (МСК) текущего рабочего дня, будут обработаны в следующий рабочий день.
Возможно, менеджеру придется связаться с Вами, для согласования деталей. Пожалуйста, оставайтесь на связи.
Выставление платежных документов
После проверки наличия заказанных позиций на складах и их резервирования, в Ваш адрес будут отправленны счет или квитанция (для частных лиц) для оплаты заказа.
Внимание!
Условия оплаты и доставки, а также сроки отгрузки указываются в выставляемых на оплату документах. Обращайте внимание на условия указанные для Вас!
- Оплата в любом банке, по предварительно выписанной квитанции.
- Онлайн-оплата квитанции, в т.ч. Сбербанк-онлайн и прочие.
- Наличный расчет и оплата картой (Visa, MasterCard, МИР) в пункте самовывоза (только для Ростова-на-Дону)
- Перечисление средств по предварительно выписанному счету. По требованию клиента поставка сопровождается договором купли-продажи.
Условия оплаты и доставки, а так же сроки отгрузки указываются в выставляемых на оплату документах. Обращайте внимание на условия, указанные для Вас!
Доставка заказов осуществляется до терминала транспортной компании в вашем населенном пункте (наличие терминалов уточняйте на сайте ТК). По прибытии заказа в терминал, Вы можете заказать курьерскую "доставку до дверей".
Оплата услуг доставки осуществляется при получении заказа.
Доставка до грузового терминала ТК в пункте отправления (г. Ростов-на-Дону) осуществляется бесплатно! Вы оплачиваете только услуги междугородной перевозки.
Стоимость доставки Почтой России рассчитывается индивидуально и включается в счет/квитанцию.
Выдача товара осуществляется рабочие дни со склада в г. Ростов-на-Дону, по предварительному согласованию с менеджером.
г. Ростов-на-Дону, 2-я Краснодарская 147/2
Пн-Чт: 9:00 - 16:30 Пт: 9:00 - 15:30
Внимание!
Условия оплаты и доставки, а также сроки отгрузки указываются в выставляемых на оплату документах. Обращайте внимание на условия указанные для Вас!
