- G1/2"
- G1/4"
- G1/8"
- G3/8"
- 2
- 4
- 6
На сайте отображены не все возможные конфигурации товара доступные для заказа через корзину. Если Вы не нашли необходимый вариант, пожалуйста, свяжитесь с нами по электронной почте, WhatsApp или Telegram для уточнения наличия и стоимости.
- Подходит для 3-линейных пневмораспределителей РЭПВ-32
- Количество установочных мест: 2...10
- Присоединение пневмораспределителя: G⅛", G¼", G⅜", G½"
- Подключение пневмосистемы: G⅛", G¼", G⅜", G½"
Технические характеристики
| Модель | Модель пневмораспределителя | Модель постовой заглушки | Модель торцевой заглушки | Присоединение пневмораспределителя | Подключение пневмосистемы | Количество установочных мест |
| ПМ-32.18 | РЭПВ-3211-18 | ЗП-3218 | ЗТР-18 | G⅛" | G⅛" | 2, 4, 5, 6, 7, 8, 10 |
| ПМ-32.14 | РЭПВ-3221-14 | ЗП-3214 | ЗТР-14 | G¼" | G¼" | |
| ПМ-32.38 | РЭПВ-3231-38 | – | ЗТР-38 | G⅜" | G⅜" | |
| ПМ-32.12 | РЭПВ-3241-12 | – | ЗТР-12 | G½" | G½" |
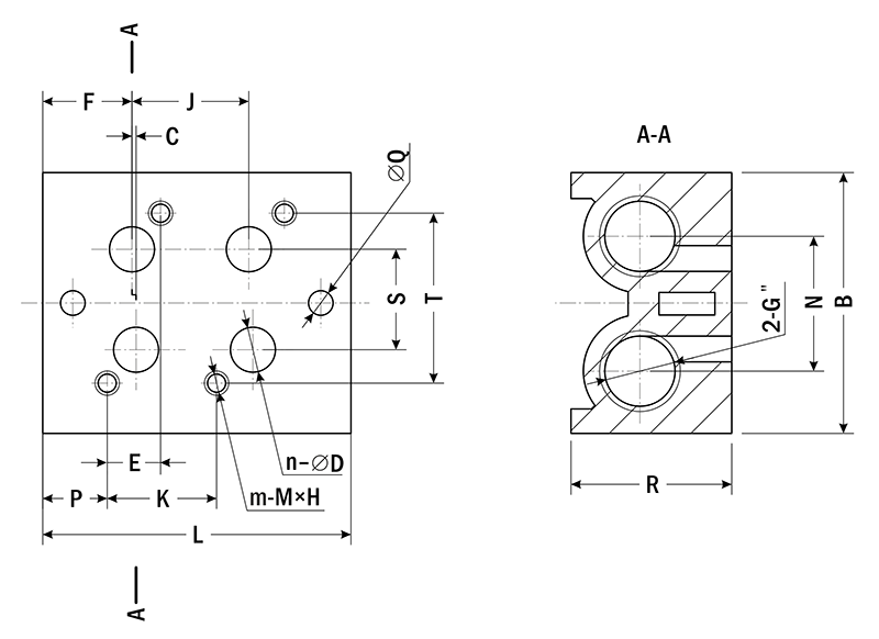
Габаритные размеры

| Модель | Размер, мм | |||||||||||||||
| n-∅D | B | C | E | F | G | m-M×H | J | K | L | N | P | ∅Q | R | S | T | |
| ПМ-32.18-2 | 2-∅6 |
31 |
2 |
13 |
18 |
G⅛" |
2-M2×5 |
19 |
19 |
57 |
17 |
12,5 |
∅4 |
19 |
16 |
19 |
| ПМ-32.18-4 | 4-∅6 | 4-M2×5 | 95 | |||||||||||||
| ПМ-32.18-6 | 6-∅6 | 6-M2×5 | 133 | |||||||||||||
| ПМ-32.14-2 | 2-∅8 |
45 |
0 |
17,5 |
23 |
G¼" |
2-M2×6,5 |
23 |
23 |
69 |
24 |
19,5 |
∅4,5 |
23 |
22 |
30 |
| ПМ-32.14-3 | 3-∅8 | 3-M2×6,5 | 92 | |||||||||||||
| ПМ-32.14-4 | 4-∅8 | 4-M2×6,5 | 115 | |||||||||||||
| ПМ-32.14-5 | 5-∅8 | 5-M2×6,5 | 138 | |||||||||||||
| ПМ-32.14-6 | 6-∅8 | 6-M2×6,5 | 160 | |||||||||||||
| ПМ-32.14-8 | 8-∅8 | 8-M2×6,5 | 206 | |||||||||||||
| ПМ-32.14-10 | 10-∅8 | 10-M2×6,5 | 252 | |||||||||||||
| ПМ-32.38-6 | 6-∅10 | 50 | 21 | 27 | G⅜" | 6-M3×6,5 | 28 | 28 | 194 | 28,5 | 17 | ∅4,5 | 28 | 24 | 35 | |
Онлайн:
Добавьте товары в корзину и оформите заказ следуя инструкциям на экране.
Через онлайн-консультанта:
В рамках рабочего времени, воспользуйтесь функцией On-Line консультанта на сайте. Предварительно подготовьте необходимые данные для оформления заказа и доставки.
После оформления заказа
Обработка заказа:
- В среднем, заявки обрабатываются в течении 1-3х часов в рамках рабочего времени (время может варьироваться в зависимости от загруженности менеджеров).
- Заявки, поступившие после 15:00 (МСК) текущего рабочего дня, будут обработаны в следующий рабочий день.
Возможно, менеджеру придется связаться с Вами, для согласования деталей. Пожалуйста, оставайтесь на связи.
Выставление платежных документов
После проверки наличия заказанных позиций на складах и их резервирования, в Ваш адрес будут отправленны счет или квитанция (для частных лиц) для оплаты заказа.
Внимание!
Условия оплаты и доставки, а также сроки отгрузки указываются в выставляемых на оплату документах. Обращайте внимание на условия указанные для Вас!
- Оплата в любом банке, по предварительно выписанной квитанции.
- Онлайн-оплата квитанции, в т.ч. Сбербанк-онлайн и прочие.
- Наличный расчет и оплата картой (Visa, MasterCard, МИР) в пункте самовывоза (только для Ростова-на-Дону)
- Перечисление средств по предварительно выписанному счету. По требованию клиента поставка сопровождается договором купли-продажи.
Условия оплаты и доставки, а так же сроки отгрузки указываются в выставляемых на оплату документах. Обращайте внимание на условия, указанные для Вас!
Доставка заказов осуществляется до терминала транспортной компании в вашем населенном пункте (наличие терминалов уточняйте на сайте ТК). По прибытии заказа в терминал, Вы можете заказать курьерскую "доставку до дверей".
Оплата услуг доставки осуществляется при получении заказа.
Доставка до грузового терминала ТК в пункте отправления (г. Ростов-на-Дону) осуществляется бесплатно! Вы оплачиваете только услуги междугородной перевозки.
Стоимость доставки Почтой России рассчитывается индивидуально и включается в счет/квитанцию.
Выдача товара осуществляется рабочие дни со склада в г. Ростов-на-Дону, по предварительному согласованию с менеджером.
г. Ростов-на-Дону, 2-я Краснодарская 147/2
Пн-Чт: 9:00 - 16:30 Пт: 9:00 - 15:30
Внимание!
Условия оплаты и доставки, а также сроки отгрузки указываются в выставляемых на оплату документах. Обращайте внимание на условия указанные для Вас!
