- P44
- P77
- P99
На сайте отображены не все возможные конфигурации товара доступные для заказа через корзину. Если Вы не нашли необходимый вариант, пожалуйста, свяжитесь с нами по электронной почте, WhatsApp или Telegram для уточнения наличия и стоимости.
Прибор для измерения и индикации напряжения, силы тока и частоты в однофазных сетях переменного тока, а также для передачи измеренных значений по протоколу Modbus RTU.
- Диапазон измерения напряжения: ~0…500 В (напрямую), ~0...1,1 МВ (через трансформатор напряжения)
- Диапазон измерения cилы тока: ~0...5 А (напрямую), ~0...9999 А (через трансформатор тока)
- Диапазон измерения частоты: 40...70 Гц
- Погрешность: ±(0,5% + 1 е.м.р.)
- Интерфейс RS-485
- Количество фаз: 1
- 3 независимых четырехразрядных светодиодных индикатора
- Широкий диапазон питания ≅85...264 В
- Монтаж: в щит
- Госреестр № 64439-22
Мультиметр однофазный щитовой Omix M3-1-RS485-N2 предназначен для измерения и индикации напряжения, силы тока и частоты в однофазных сетях переменного тока, а также для передачи измеренных значений по протоколу Modbus RTU.
Особенности:
- Возможность подключения через трансформаторы напряжения и тока
- Может выдерживать длительные (до нескольких лет) перегрузки до 600 В и 6 А
- Передача измеренных значений по протоколу Modbus RTU осуществляется с помощью целого числа c фиксированной запятой (тип int). При использовании трансформаторов напряжения и тока по протоколу Modbus передаются измеренные значения без учета коэффициента трансформации.
- 4 типоразмера корпуса
Технические характеристики:
| Параметр | Значение |
| Диапазон измерения напряжения |
~0...500 В (напрямую) ~0...1,1 МВ (через трансформатор напряжения) |
| Диапазон измерения силы тока |
~0...5 А (напрямую) ~0...9999 А (через трансформатор тока) |
| Диапазон измерения частоты тока | 40...70 Гц |
| Дискретность измерения | Автоматическая: 0,001; 0,01; 0,1; 1 |
| Погрешность измерения | ±(0,5% + 1 е.м.р.) |
| Скорость измерения | 3 изм./с |
| Потребляемая мощность | < 5 ВА |
| Питание | ≅85...264 В, 50...60 Гц |
| Условия эксплуатации |
−10...+50°С ≤ 85%RH |
| Условия хранения |
−40...+70°С ≤ 85%RH |
| Высота символов |
P44: 8 мм P77: 10 мм Р99: 14 мм |
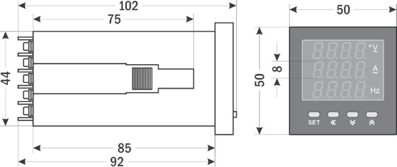
| Габаритные размеры |
P44: 50×50×102 мм Р77: 74×74×103 мм Р99: 98×98×103 мм |
| Размер врезного отверстия |
P44: 45×45 мм Р77: 67×67 мм Р99: 91×91 мм |
| Вес |
P44: 123 г Р77: 209 г Р99: 250 г |
Габаритные размеры:
Omix P44

Omix P77

Omix P99
|
Питание
|
≅85...264 В, 50...60 Гц |
|
Монтаж
|
щит |
|
Высота символов
|
8-14 мм |
|
Диапазон индикации силы тока
|
~0...500 В |
|
Погрешность
|
±(0,5% + 1 е.м.р.) |
|
Условия эксплуатации
|
−10...+50°С, ≤ 85%RH |
|
Условия хранения
|
−40...+70°С, ≤ 85%RH |
|
Артикул
|
100010738 |
|
Вес, г
|
250 |
|
Габаритные размеры, мм
|
98×98×103 |
Онлайн:
Добавьте товары в корзину и оформите заказ следуя инструкциям на экране.
Через онлайн-консультанта:
В рамках рабочего времени, воспользуйтесь функцией On-Line консультанта на сайте. Предварительно подготовьте необходимые данные для оформления заказа и доставки.
После оформления заказа
Обработка заказа:
- В среднем, заявки обрабатываются в течении 1-3х часов в рамках рабочего времени (время может варьироваться в зависимости от загруженности менеджеров).
- Заявки, поступившие после 15:00 (МСК) текущего рабочего дня, будут обработаны в следующий рабочий день.
Возможно, менеджеру придется связаться с Вами, для согласования деталей. Пожалуйста, оставайтесь на связи.
Выставление платежных документов
После проверки наличия заказанных позиций на складах и их резервирования, в Ваш адрес будут отправленны счет или квитанция (для частных лиц) для оплаты заказа.
Внимание!
Условия оплаты и доставки, а также сроки отгрузки указываются в выставляемых на оплату документах. Обращайте внимание на условия указанные для Вас!
- Оплата в любом банке, по предварительно выписанной квитанции.
- Онлайн-оплата квитанции, в т.ч. Сбербанк-онлайн и прочие.
- Наличный расчет и оплата картой (Visa, MasterCard, МИР) в пункте самовывоза (только для Ростова-на-Дону)
- Перечисление средств по предварительно выписанному счету. По требованию клиента поставка сопровождается договором купли-продажи.
Условия оплаты и доставки, а так же сроки отгрузки указываются в выставляемых на оплату документах. Обращайте внимание на условия, указанные для Вас!
Доставка заказов осуществляется до терминала транспортной компании в вашем населенном пункте (наличие терминалов уточняйте на сайте ТК). По прибытии заказа в терминал, Вы можете заказать курьерскую "доставку до дверей".
Оплата услуг доставки осуществляется при получении заказа.
Доставка до грузового терминала ТК в пункте отправления (г. Ростов-на-Дону) осуществляется бесплатно! Вы оплачиваете только услуги междугородной перевозки.
Стоимость доставки Почтой России рассчитывается индивидуально и включается в счет/квитанцию.
Выдача товара осуществляется рабочие дни со склада в г. Ростов-на-Дону, по предварительному согласованию с менеджером.
г. Ростов-на-Дону, 2-я Краснодарская 147/2
Пн-Чт: 9:00 - 16:30 Пт: 9:00 - 15:30
Внимание!
Условия оплаты и доставки, а также сроки отгрузки указываются в выставляемых на оплату документах. Обращайте внимание на условия указанные для Вас!
