На сайте отображены не все возможные конфигурации товара доступные для заказа через корзину. Если Вы не нашли необходимый вариант, пожалуйста, свяжитесь с нами по электронной почте, WhatsApp или Telegram для уточнения наличия и стоимости.
- Тип: 4/3 (4-линейные, 3-позиционные)
- Присоединение: G¼"
- Рабочее давление: 0…0,8 МПа
- Рабочая температура: 0…+60°C
- Расположение портов: торцевое
- С фиксацией
Пневморычаги относятся к направляющей аппаратуре и служат для управления направлением движения потоков сжатого воздуха. Управление осуществляется за счет переключения схемы соединения внутренних каналов распределителя с входными и выходными присоединительными отверстиями.
Технические характеристики:
| Параметр | Значение | |
| Тип распределителя | 4/3 (4-линейные, 3-позиционные) | |
| Рабочая среда | Воздух (тонкость очистки 25 мкм) | |
| Присоединение |
G¼" |
|
| Рабочее давление |
0…0,8 МПа
|
|
| Рабочая температура | 0…+60°C | |
| Габаритные размеры |
68×105×55 мм
|
|
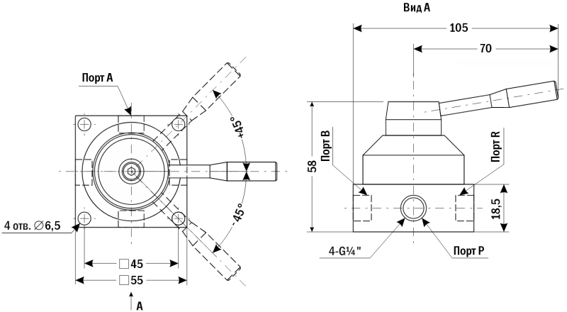
Пневматическая схема:
Р - порт питания;
А - рабочий порт;
В - рабочий порт;
R - порт выхлопа.
Описание прибора:
Пневморычаг РП432-14М предназначен для распределения воздушных потоков, управления исполнительными устройствами пневмосистем.
Пневморычаг РП432-14М может находиться в трех положениях: нейтральном (0), верхнем (+45°) и нижнем (-45°).
В положении 0 все порты (A, B, P, R) перекрыты. В положении +45° порт питания Р соединяется с рабочим портом B, а рабочий порт R соединяется с портом выхлопа A. В положении -45° порт питания Р соединяется с рабочим портом R, а рабочий порт B соединяется с портом выхлопа A.
Габаритные размеры:

|
Рабочая среда
|
воздух |
|
Тип присоединения
|
резьбовое |
|
Присоединение
|
G 1/4" |
|
Рабочий ход
|
с фиксацией |
|
Типа распределителя
|
4/3 |
|
Цвет корпуса
|
серебряный |
|
Габариты (ВхШхГ), мм
|
68х105х55 |
Онлайн:
Добавьте товары в корзину и оформите заказ следуя инструкциям на экране.
Через онлайн-консультанта:
В рамках рабочего времени, воспользуйтесь функцией On-Line консультанта на сайте. Предварительно подготовьте необходимые данные для оформления заказа и доставки.
После оформления заказа
Обработка заказа:
- В среднем, заявки обрабатываются в течении 1-3х часов в рамках рабочего времени (время может варьироваться в зависимости от загруженности менеджеров).
- Заявки, поступившие после 15:00 (МСК) текущего рабочего дня, будут обработаны в следующий рабочий день.
Возможно, менеджеру придется связаться с Вами, для согласования деталей. Пожалуйста, оставайтесь на связи.
Выставление платежных документов
После проверки наличия заказанных позиций на складах и их резервирования, в Ваш адрес будут отправленны счет или квитанция (для частных лиц) для оплаты заказа.
Внимание!
Условия оплаты и доставки, а также сроки отгрузки указываются в выставляемых на оплату документах. Обращайте внимание на условия указанные для Вас!
- Оплата в любом банке, по предварительно выписанной квитанции.
- Онлайн-оплата квитанции, в т.ч. Сбербанк-онлайн и прочие.
- Наличный расчет и оплата картой (Visa, MasterCard, МИР) в пункте самовывоза (только для Ростова-на-Дону)
- Перечисление средств по предварительно выписанному счету. По требованию клиента поставка сопровождается договором купли-продажи.
Условия оплаты и доставки, а так же сроки отгрузки указываются в выставляемых на оплату документах. Обращайте внимание на условия, указанные для Вас!
Доставка заказов осуществляется до терминала транспортной компании в вашем населенном пункте (наличие терминалов уточняйте на сайте ТК). По прибытии заказа в терминал, Вы можете заказать курьерскую "доставку до дверей".
Оплата услуг доставки осуществляется при получении заказа.
Доставка до грузового терминала ТК в пункте отправления (г. Ростов-на-Дону) осуществляется бесплатно! Вы оплачиваете только услуги междугородной перевозки.
Стоимость доставки Почтой России рассчитывается индивидуально и включается в счет/квитанцию.
Выдача товара осуществляется рабочие дни со склада в г. Ростов-на-Дону, по предварительному согласованию с менеджером.
г. Ростов-на-Дону, 2-я Краснодарская 147/2
Пн-Чт: 9:00 - 16:30 Пт: 9:00 - 15:30
Внимание!
Условия оплаты и доставки, а также сроки отгрузки указываются в выставляемых на оплату документах. Обращайте внимание на условия указанные для Вас!
