На сайте отображены не все возможные конфигурации товара доступные для заказа через корзину. Если Вы не нашли необходимый вариант, пожалуйста, свяжитесь с нами по электронной почте, WhatsApp или Telegram для уточнения наличия и стоимости.
Фитинг пневматический угловой с дросселем без уплотнительного кольца для соединения различных элементов пневматических систем.
- Тип присоединения: трубка – наружная резьба
- Внешний диаметр присоединяемой трубки: 8 мм
- Присоединительная резьба: K½"
- Рабочее давление: 0…0,8 МПа
- Рабочая температура: 0...+60°С
Технические характеристики:
| Параметр | Значение |
| Тип присоединения | Трубка – наружная резьба |
| Внешний диаметр присоединяемой трубки | 4 мм, 6 мм, 8 мм, 10 мм, 12 мм, 14 мм, 16 мм |
| Присоединительная резьба | K⅛", K¼", K⅜", K½" |
| Рабочее давление | 0…0,8 МПа |
| Рабочая температура | 0...+60°С |
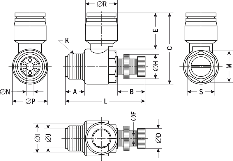
Габаритные размеры
| Модель | Размеры, мм | Габаритные размеры, мм | Вес, г | |||||||||||||||
| ØN | ØP | K | A | B | C | L | E | ØH | ØR | M | S | ØI | ØJ | ØF | ØD | |||
| ТРНД-0612 | 15 | 26 | K½" | 14 | 18,5 | 45 | 56,5 | 18,5 | 16 | 15 | 25 | 22 | 12 | 6 | 6 | 12 | 45×56,5×26 | 82 |
| ТРНД-0614 | 2 | 18 | K¼" | 11,5 | 16 | 34 | 45 | 16,5 | 13 | 13 | 16 | 14 | 12 | 6 | 6 | 9 | 34,5×45,5×18 | 30 |
| ТРНД-0618 | 2 | 14,5 | K⅛" | 9 | 16 | 31,5 | 40,5 | 17 | 10 | 13 | 12,5 | 11 | 12 | 6 | 5 | 8 | 31,5×40,5×14,5 | 17 |
| ТРНД-0812 | 8 | 27 | K½" | 14 | 13 | 49 | 50 | 23 | 16 | 15 | 25 | 22 | 15 | 8 | 10 | 13 | 49×50×27 | 80 |
| ТРНД-0814 | 2 | 18 | K¼" | 11,5 | 16 | 37 | 45 | 20,5 | 13 | 15 | 16 | 14 | 14 | 8 | 6 | 9 | 37×45×18 | 31 |
| ТРНД-0818 | 2 | 14,5 | K⅛" | 8,5 | 16 | 33,5 | 41 | 19 | 9,5 | 15 | 12 | 11 | 14 | 8 | 5 | 8 | 33,5×41×15 | 19 |
| ТРНД-1012 | 7 | 26 | K½" | 9 | 18 | 49 | 56 | 22,5 | 16 | 21 | 25 | 22 | 17 | 10 | 10 | 13 | 49×56×26 | 78 |
| ТРНД-1014 | 2 | 18 | K¼" | 11,5 | 16 | 40,5 | 45 | 22 | 13 | 18 | 16 | 14 | 17 | 10 | 6 | 9 | 40,5×45×18 | 35 |
| ТРНД-1018 | 2 | 14 | K⅛" | 9 | 15 | 37 | 40 | 23 | 9 | 18,5 | 12,5 | 11 | 18 | 10 | 5 | 9 | 37×40×18,5 | 24 |
| ТРНД-1038 | 5 | 23 | K⅜" | 12 | 18 | 45 | 51 | 22 | 16 | 18,5 | 20,5 | 18 | 17,5 | 10 | 10 | 13 | 45×51×23 | 52 |
| ТРНД-1238 | 5 | 23 | K⅜" | 12 | 19 | 45,5 | 52 | 25 | 16 | 21 | 20,5 | 18 | 19 | 12 | 10 | 13 | 45,5×52×23 | 58 |
Онлайн:
Добавьте товары в корзину и оформите заказ следуя инструкциям на экране.
Через онлайн-консультанта:
В рамках рабочего времени, воспользуйтесь функцией On-Line консультанта на сайте. Предварительно подготовьте необходимые данные для оформления заказа и доставки.
После оформления заказа
Обработка заказа:
- В среднем, заявки обрабатываются в течении 1-3х часов в рамках рабочего времени (время может варьироваться в зависимости от загруженности менеджеров).
- Заявки, поступившие после 15:00 (МСК) текущего рабочего дня, будут обработаны в следующий рабочий день.
Возможно, менеджеру придется связаться с Вами, для согласования деталей. Пожалуйста, оставайтесь на связи.
Выставление платежных документов
После проверки наличия заказанных позиций на складах и их резервирования, в Ваш адрес будут отправленны счет или квитанция (для частных лиц) для оплаты заказа.
Внимание!
Условия оплаты и доставки, а также сроки отгрузки указываются в выставляемых на оплату документах. Обращайте внимание на условия указанные для Вас!
- Оплата в любом банке, по предварительно выписанной квитанции.
- Онлайн-оплата квитанции, в т.ч. Сбербанк-онлайн и прочие.
- Наличный расчет и оплата картой (Visa, MasterCard, МИР) в пункте самовывоза (только для Ростова-на-Дону)
- Перечисление средств по предварительно выписанному счету. По требованию клиента поставка сопровождается договором купли-продажи.
Условия оплаты и доставки, а так же сроки отгрузки указываются в выставляемых на оплату документах. Обращайте внимание на условия, указанные для Вас!
Доставка заказов осуществляется до терминала транспортной компании в вашем населенном пункте (наличие терминалов уточняйте на сайте ТК). По прибытии заказа в терминал, Вы можете заказать курьерскую "доставку до дверей".
Оплата услуг доставки осуществляется при получении заказа.
Доставка до грузового терминала ТК в пункте отправления (г. Ростов-на-Дону) осуществляется бесплатно! Вы оплачиваете только услуги междугородной перевозки.
Стоимость доставки Почтой России рассчитывается индивидуально и включается в счет/квитанцию.
Выдача товара осуществляется рабочие дни со склада в г. Ростов-на-Дону, по предварительному согласованию с менеджером.
г. Ростов-на-Дону, 2-я Краснодарская 147/2
Пн-Чт: 9:00 - 16:30 Пт: 9:00 - 15:30
Внимание!
Условия оплаты и доставки, а также сроки отгрузки указываются в выставляемых на оплату документах. Обращайте внимание на условия указанные для Вас!
