На сайте отображены не все возможные конфигурации товара доступные для заказа через корзину. Если Вы не нашли необходимый вариант, пожалуйста, свяжитесь с нами по электронной почте, WhatsApp или Telegram для уточнения наличия и стоимости.
Прибор для быстрого ручного отключения давления в воздушной магистрали.
- Рабочее давление: 0,15…1 МПа
- Максимальное давление: 1,2 МПа
- Тонкость очистки воздуха ≥ 25 мкм
- Материал уплотнения: NBR
- Рабочая температура: −5...+60°C
- Присоединение: G⅛"
- Смазка не требуется
Скользящий клапан КП-С предназначен для быстрого ручного отключения давления в воздушной магистрали.
Технические характеристики:
| Параметр | Значение |
| Рабочее давление | 0,15…1 МПа |
| Максимальное давление | 1,2 МПа |
| Материал уплотнения | NBR |
| Рабочая температура | −5...+60°C |
| Уплотнение | NBR |
| Присоединение | G⅛"...G½" |
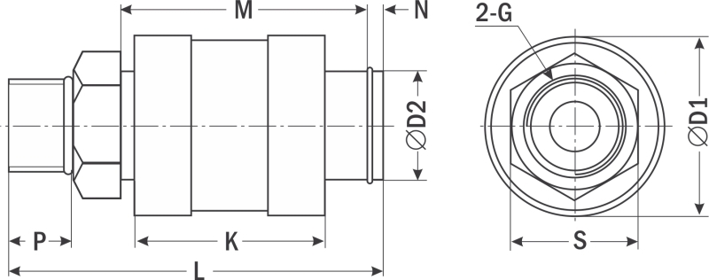
Габаритные размеры

| Модель | Размеры, мм | ||||||||
| G | ∅ D1 | ∅ D2 | K | L | M | N | P | S | |
| КП-С-6 | G⅛" | 20 | 13 | 20 | 38 | 22 | 3 | 8 | 14 |
| КП-С-8 | G¼" | 26 | 18 | 32 | 58 | 36 | 4 | 9 | 19 |
| КП-С-10 | G⅜" | 32 | 20,5 | 32 | 58 | 36 | 4 | 11 | 22 |
| КП-С-15 | G½" | 38 | 25 | 40 | 80 | 51,5 | 4 | 14 | 27 |
Онлайн:
Добавьте товары в корзину и оформите заказ следуя инструкциям на экране.
Через онлайн-консультанта:
В рамках рабочего времени, воспользуйтесь функцией On-Line консультанта на сайте. Предварительно подготовьте необходимые данные для оформления заказа и доставки.
После оформления заказа
Обработка заказа:
- В среднем, заявки обрабатываются в течении 1-3х часов в рамках рабочего времени (время может варьироваться в зависимости от загруженности менеджеров).
- Заявки, поступившие после 15:00 (МСК) текущего рабочего дня, будут обработаны в следующий рабочий день.
Возможно, менеджеру придется связаться с Вами, для согласования деталей. Пожалуйста, оставайтесь на связи.
Выставление платежных документов
После проверки наличия заказанных позиций на складах и их резервирования, в Ваш адрес будут отправленны счет или квитанция (для частных лиц) для оплаты заказа.
Внимание!
Условия оплаты и доставки, а также сроки отгрузки указываются в выставляемых на оплату документах. Обращайте внимание на условия указанные для Вас!
- Оплата в любом банке, по предварительно выписанной квитанции.
- Онлайн-оплата квитанции, в т.ч. Сбербанк-онлайн и прочие.
- Наличный расчет и оплата картой (Visa, MasterCard, МИР) в пункте самовывоза (только для Ростова-на-Дону)
- Перечисление средств по предварительно выписанному счету. По требованию клиента поставка сопровождается договором купли-продажи.
Условия оплаты и доставки, а так же сроки отгрузки указываются в выставляемых на оплату документах. Обращайте внимание на условия, указанные для Вас!
Доставка заказов осуществляется до терминала транспортной компании в вашем населенном пункте (наличие терминалов уточняйте на сайте ТК). По прибытии заказа в терминал, Вы можете заказать курьерскую "доставку до дверей".
Оплата услуг доставки осуществляется при получении заказа.
Доставка до грузового терминала ТК в пункте отправления (г. Ростов-на-Дону) осуществляется бесплатно! Вы оплачиваете только услуги междугородной перевозки.
Стоимость доставки Почтой России рассчитывается индивидуально и включается в счет/квитанцию.
Выдача товара осуществляется рабочие дни со склада в г. Ростов-на-Дону, по предварительному согласованию с менеджером.
г. Ростов-на-Дону, 2-я Краснодарская 147/2
Пн-Чт: 9:00 - 16:30 Пт: 9:00 - 15:30
Внимание!
Условия оплаты и доставки, а также сроки отгрузки указываются в выставляемых на оплату документах. Обращайте внимание на условия указанные для Вас!
