На сайте отображены не все возможные конфигурации товара доступные для заказа через корзину. Если Вы не нашли необходимый вариант, пожалуйста, свяжитесь с нами по электронной почте, WhatsApp или Telegram для уточнения наличия и стоимости.
Прибор для измерения аналоговых сигналов встроенными аналоговыми входами, преобразования измеренных величин в значение физической величины и последующей передачи этого значения по сети RS-485.
- Для трехфазных сетей
- Количество входов: 1
- Диапазон измерения напряжения: ~0...500 В
- Диапазон измерения силы тока: ~0...10 А (через внешние трансформаторы 1:1000)
- Погрешность: ±1%
- Интерфейс: RS-485
- Монтаж: на DIN-рейку
Внимание! Внешние трансформаторы в комплект поставки не входят!
Модуль ввода параметров электрической сети ARM-E110.3P предназначен для измерения параметров трехфазной электрической сети и последующей передачи этого значения по сети RS-485. Приборы могут быть использованы для построения автоматизированных систем сбора данных в различных областях промышленности, сельского и коммунального хозяйства, на транспорте.
Особенности:
- Настраиваемые адрес и скорость передачи данных
- Сохранение настроек при отключении питания
- Защита от короткого замыкания, перенапряжения, перегрузки по току и обратной полярности подключения питания
- Групповая изоляция выходных каналов от шины RS-485
- Широкий диапазон питания =6...36 В
- Светодиодный индикатор питания
Технические характеристики:
| Параметр | Значение |
| Количество входов | 1 |
| Диапазон измерения напряжения | ~0...500 |
| Диапазон измерения силы тока | ~0...10 А (через внешние трансформаторы 1:1000) |
| Погрешность | ±1 |
| Потребляемая мощность | < 500 мВт |
| Питание | =6...36 В |
| Интерфейс | RS-485 Modbus RTU |
| Скорость передачи данных | 4800...115 200 |
| Условия эксплуатации | −40...+85°С, ≤ 95%RH |
| Монтаж | На DIN-рейку |
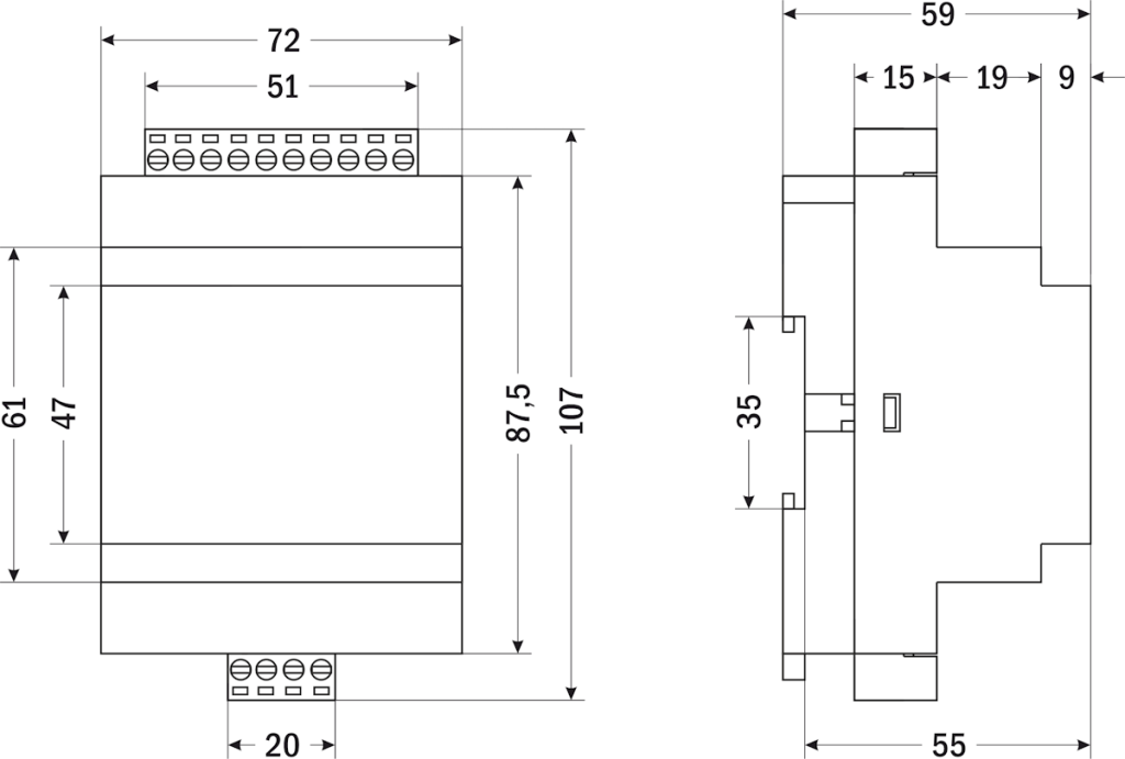
| Габаритные размеры | 107×72×59 |
| Вес | 136 г |
Габаритные размеры:
|
Питание
|
=6...36 В |
|
Монтаж
|
DIN-рейка |
|
Диапазон индикации силы тока
|
~0...10 А |
|
Погрешность
|
±1 |
|
Условия эксплуатации
|
−40...+85°С, ≤ 95%RH |
|
Габариты (ВхШхГ), мм
|
107×72×59 |
|
Вес, кг
|
136 |
Онлайн:
Добавьте товары в корзину и оформите заказ следуя инструкциям на экране.
Через онлайн-консультанта:
В рамках рабочего времени, воспользуйтесь функцией On-Line консультанта на сайте. Предварительно подготовьте необходимые данные для оформления заказа и доставки.
После оформления заказа
Обработка заказа:
- В среднем, заявки обрабатываются в течении 1-3х часов в рамках рабочего времени (время может варьироваться в зависимости от загруженности менеджеров).
- Заявки, поступившие после 15:00 (МСК) текущего рабочего дня, будут обработаны в следующий рабочий день.
Возможно, менеджеру придется связаться с Вами, для согласования деталей. Пожалуйста, оставайтесь на связи.
Выставление платежных документов
После проверки наличия заказанных позиций на складах и их резервирования, в Ваш адрес будут отправленны счет или квитанция (для частных лиц) для оплаты заказа.
Внимание!
Условия оплаты и доставки, а также сроки отгрузки указываются в выставляемых на оплату документах. Обращайте внимание на условия указанные для Вас!
- Оплата в любом банке, по предварительно выписанной квитанции.
- Онлайн-оплата квитанции, в т.ч. Сбербанк-онлайн и прочие.
- Наличный расчет и оплата картой (Visa, MasterCard, МИР) в пункте самовывоза (только для Ростова-на-Дону)
- Перечисление средств по предварительно выписанному счету. По требованию клиента поставка сопровождается договором купли-продажи.
Условия оплаты и доставки, а так же сроки отгрузки указываются в выставляемых на оплату документах. Обращайте внимание на условия, указанные для Вас!
Доставка заказов осуществляется до терминала транспортной компании в вашем населенном пункте (наличие терминалов уточняйте на сайте ТК). По прибытии заказа в терминал, Вы можете заказать курьерскую "доставку до дверей".
Оплата услуг доставки осуществляется при получении заказа.
Доставка до грузового терминала ТК в пункте отправления (г. Ростов-на-Дону) осуществляется бесплатно! Вы оплачиваете только услуги междугородной перевозки.
Стоимость доставки Почтой России рассчитывается индивидуально и включается в счет/квитанцию.
Выдача товара осуществляется рабочие дни со склада в г. Ростов-на-Дону, по предварительному согласованию с менеджером.
г. Ростов-на-Дону, 2-я Краснодарская 147/2
Пн-Чт: 9:00 - 16:30 Пт: 9:00 - 15:30
Внимание!
Условия оплаты и доставки, а также сроки отгрузки указываются в выставляемых на оплату документах. Обращайте внимание на условия указанные для Вас!
