- 15
- 20
- 25
- 12сек., AC 220В
- 24сек., AC 220В
- 12сек., AC 110В
- 12сек., AC 24В
- 18сек., DC 24В
На сайте отображены не все возможные конфигурации товара доступные для заказа через корзину. Если Вы не нашли необходимый вариант, пожалуйста, свяжитесь с нами по электронной почте, WhatsApp или Telegram для уточнения наличия и стоимости.
Кран шаровой полнопроходной с электроприводом AR200-2 предназначен для управления потоком рабочей среды в трубопроводе
Особенности:
- Работа при высоком давлении до 4 МПа
- Модель электропривода – AR200
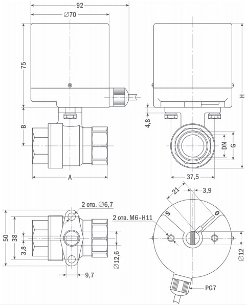
- Привод AR200 крепится к крану с помощью двух винтов М6
- Привод AR200 обладает широким выбором возможных вариантов типов питающего напряжения (~220 В, ~110 В, ~24 В, =24 В) и времени открытия/закрытия крана (12 с, 15...18 с, 24 с)
- Привод оснащен указателем положения крана: O – open (кран открыт), S – shut/close (кран закрыт)
- Простота монтажа и удобство обслуживания
- 3- или 5-проводная схема подключения
- Компактный размер
- Долгий срок службы
Технические характеристики:
| Рабочая среда | Вода, горячая вода, воздух, инертные газы, масла, бензин, слабые кислоты, спирт, светлые нефтепродукты | ||
| Материал | Корпуса | Латунь | |
| Уплотнения | PTFE + EPDM | ||
| Температура рабочей среды | −10…+125°С | ||
| Рабочее давление | 0...4 МПа | ||
| Диаметр условного прохода | 15, 20 и 25 мм | ||
| Присоединение | Резьбовое G½"...G1" | ||
| Модель электропривода | AR200 | ||
| Питание | ~220 В, =24 В, =12 В | ||
| Мощность | 6 ВА | ||
| Время открытия/закрытия |
12 с или 24 с для ~220 В; 12 с для ~110 В; 12 с для ~24 В; 15...18 с для =24 В |
||
| Угол поворота | 90° (вращение в обоих направлениях) | ||
| Крутящий момент |
5 Н∙м для ~220 В, ~110 В, ~24 В; 15 Н∙м для =24 В |
||
| Степень защиты | IP65 | ||
| Питание, ток, мощность |
~220 В,40 мА, 8 ВА; ~110 В, 80 мА, 8 ВА; ~24 В, 400 мА, 7 ВА; =24 В, 50 мА, 1,2 Вт |
||
| Схема подключения | 3- или 5-проводная | ||
| Длина кабеля | 840 мм | ||
Модификации:
| Модель | Ду, мм | Kv, м³/ч | Присоединение | Pmin , МПа | Pmax , МПа | Вес, кг |
Модель электропривода |
Вес привода, кг | |
| AR200-2-15 | 15 | 20 | G½" | 0,0 | 4 | 0,206 | AR200 | 0,572 | |
| AR200-2-20 | 20 | 38 | G¾" | 0,340 | |||||
| AR200-2-25 | 25 | 69 | G1" | 0,495 | |||||
| Габаритные размеры | |||
|
|||
| Размер, мм | AR200-2-15 | AR200-2-20 | AR200-2-25 |
| DN | 15 | 20 | 25 |
| A | 58 | 67 | 78 |
| B | 29 | 34 | 37 |
| H | 116 | 129 | 132 |
| G | ½" | ¾" | 1" |
|
Принцип действия
|
полнопроходный, двухходовой |
|
Рабочая среда
|
бензин, вода, воздух, горячая вода, инертные газы, масла, светлые нефтепродукты, слабые кислоты, спирты |
|
Материал уплотнения
|
EPDM, PTFE |
|
Присоединение
|
G 1", G 1/2", G 3/4" |
|
Материал корпуса
|
латунь |
|
Диаметр условного прохода
|
15, 20, 25 мм |
|
Артикул
|
100003601 |
Онлайн:
Добавьте товары в корзину и оформите заказ следуя инструкциям на экране.
Через онлайн-консультанта:
В рамках рабочего времени, воспользуйтесь функцией On-Line консультанта на сайте. Предварительно подготовьте необходимые данные для оформления заказа и доставки.
После оформления заказа
Обработка заказа:
- В среднем, заявки обрабатываются в течении 1-3х часов в рамках рабочего времени (время может варьироваться в зависимости от загруженности менеджеров).
- Заявки, поступившие после 15:00 (МСК) текущего рабочего дня, будут обработаны в следующий рабочий день.
Возможно, менеджеру придется связаться с Вами, для согласования деталей. Пожалуйста, оставайтесь на связи.
Выставление платежных документов
После проверки наличия заказанных позиций на складах и их резервирования, в Ваш адрес будут отправленны счет или квитанция (для частных лиц) для оплаты заказа.
Внимание!
Условия оплаты и доставки, а также сроки отгрузки указываются в выставляемых на оплату документах. Обращайте внимание на условия указанные для Вас!
- Оплата в любом банке, по предварительно выписанной квитанции.
- Онлайн-оплата квитанции, в т.ч. Сбербанк-онлайн и прочие.
- Наличный расчет и оплата картой (Visa, MasterCard, МИР) в пункте самовывоза (только для Ростова-на-Дону)
- Перечисление средств по предварительно выписанному счету. По требованию клиента поставка сопровождается договором купли-продажи.
Условия оплаты и доставки, а так же сроки отгрузки указываются в выставляемых на оплату документах. Обращайте внимание на условия, указанные для Вас!
Доставка заказов осуществляется до терминала транспортной компании в вашем населенном пункте (наличие терминалов уточняйте на сайте ТК). По прибытии заказа в терминал, Вы можете заказать курьерскую "доставку до дверей".
Оплата услуг доставки осуществляется при получении заказа.
Доставка до грузового терминала ТК в пункте отправления (г. Ростов-на-Дону) осуществляется бесплатно! Вы оплачиваете только услуги междугородной перевозки.
Стоимость доставки Почтой России рассчитывается индивидуально и включается в счет/квитанцию.
Выдача товара осуществляется рабочие дни со склада в г. Ростов-на-Дону, по предварительному согласованию с менеджером.
г. Ростов-на-Дону, 2-я Краснодарская 147/2
Пн-Чт: 9:00 - 16:30 Пт: 9:00 - 15:30
Внимание!
Условия оплаты и доставки, а также сроки отгрузки указываются в выставляемых на оплату документах. Обращайте внимание на условия указанные для Вас!
