- 15
- 25
- ~220 В
На сайте отображены не все возможные конфигурации товара доступные для заказа через корзину. Если Вы не нашли необходимый вариант, пожалуйста, свяжитесь с нами по электронной почте, WhatsApp или Telegram для уточнения наличия и стоимости.
Кран шаровой неполнопроходной с электроприводом для управления потоком рабочей среды в трубопроводе.
- Тип: шаровой неполнопроходной
- Рабочая среда: вода, горячая вода, воздух, инертные газы, спирт
- Температура рабочей среды: +2…+90°С
- Рабочее давление: 0...1,6 МПа
- Диаметр условного прохода: 15...50 мм
- Материал корпуса: латунь
- Материал уплотнения: PTFE
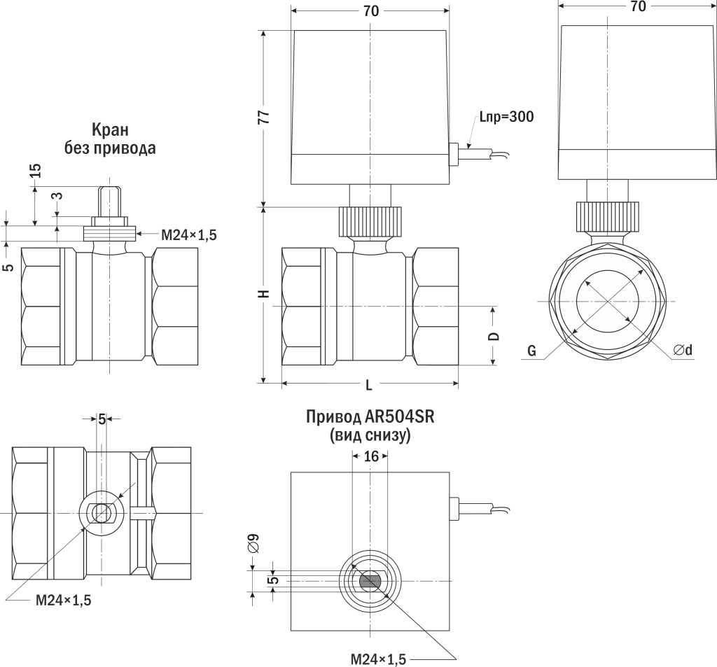
- Присоединение: резьбовое G½"...G2"
- Присоединение привода к крану: М24×1,5
- Модель электропривода: AR504SR
- Схема подключения:
- 2-проводная c выключением одного контакта
- Питание электропривода: ~220 В или =12...24 В
- Cамовозврат в положение «закрыто» при отключении питания
Краны шаровые неполнопроходные с электроприводами AR504SR предназначены для управления потоком рабочей среды в трубопроводе.
Особенности:
- Универсальное основание позволяет легко заменить привод на любой другой из серии AR5xx: AR500, AR501, AR504SR, AR524SR, AR510, AR520, AR560, AR564SR, AR570.
- хема управления с выключателем. Для автоматического управления в качестве выключателя К можно использовать любой прибор, который обеспечивает замыкание/размыкание, например терморегуляторы, термостаты и цифровые 1-2-канальные регуляторы. Для ручного управления в качестве выключателя К можно использовать кнопки с фиксацией AR-XB2-BT, AR-XB2-BS, SD16-22ATA, антивандальные кнопки с фиксацией или переключатели на 2 положения SD16-V-22IR, SD16-V-22K, AR-XB2-BD, AR-XB2-BJ, AR-LA800E-BLSM, AR-XB2-BG
- Защита трубопровода от гидравлических ударов благодаря специальной конструкции крана
- Автоматическое отключение при достижении конечного положения
- Удобство в эксплуатации и обслуживании
Технические характеристики:
| Параметр | Значение | ||
| Тип | Шаровой неполнопроходной | ||
| Рабочая среда | Вода, горячая вода, воздух, инертные газы, спирт | ||
| Материалы |
Корпус: латунь Уплотнения: PTFE |
||
| Температура рабочей среды | +2...+90°С | ||
| Рабочее давление | 0,0...1,6 MПa | ||
| Диаметр условного прохода | 15...50 мм | ||
| Присоединение | Резьбовое G½"...G2" | ||
| Присоединение привода к крану | М24×1,5 | ||
| Угол полного поворота | 90° (вращение в обоих направлениях) | ||
| Схема подключения | 2-проводная с выключением одного контакта | ||
| Модель электропривода | AR504SR | ||
| Время полного поворота | 15 с | ||
| Крутящий момент | 5 Н∙м | ||
| Питание | ~220 В | =12...24 В | |
| =12 В | =24 В | ||
| Ток, мощность | 30 мА, 2 ВA | 150 мА, 2 Вт | 60 мА, 2 Вт |
| Пусковой ток зарядки конденсатора | 30 мА | 1А | |
| Ток покоя | - | 10 мА | 6 мА |
| Степень пылевлагозащиты привода | IP54 | ||
| Длина кабеля | 300 мм | ||
Модификации:
| Обозначение |
Ду, мм |
Дэф, мм |
Kv, м³/ч |
Присоединение | Pmin, МПа | Pmax, МПа |
Модель привода |
Вес крана с приводом, г |
| AR504SR-2-15/12 GBP | 15 | 12 | 11 | внутр. ½" | 0,0 | 1,6 |
AR504SR |
479 |
| AR504SR-2-20/17 GBP | 20 | 17 | 20 | внутр. ¾" | 539 | |||
| AR504SR-2-25/19 GBP | 25 | 19 | 60 | внутр. 1" | 639 | |||
| AR504SR-2-32/25 GBP | 32 | 25 | 80 | внутр. 1¼" | 829 | |||
| AR504SR-2-40/30 GBP | 40 | 30 | 80 | внутр. 1½" | 969 | |||
| AR504SR-2-50/37 GBP | 50 | 37 | 93 | внутр. 2" | 1319 |
Расшифровка обозначения на примере крана AR504SR-2-15/12 XYZ:
AR504SR – модель привода.
2 – двухходовой кран
15 – условный диаметр прохода в мм.
12 – эффективный диаметр в мм, если Дэф < Ду.
X – присоединение: G – трубная резьба.
Y – материал корпуса: B – латунь.
Z – материал уплотнения: P – PTFE.
Габаритные размеры:

| Размер, мм |
AR504SR-2 |
|||||
| -15/12 | -20/17 | -25/19 | -32/25 | -40/30 | -50/37 | |
| ∅d (Дэф) | 12 | 17 | 19 | 25 | 30 | 37 |
| D | 14 | 17 | 20 | 25 | 28 | 35 |
| H | 49 | 54 | 60 | 73 | 76 | 89 |
| L | 50 | 58 | 67 | 77 | 82 | 96 |
| G | 1/2" | ¾" | 1" | 1¼" | 1½" | 2" |
|
Рабочее давление
|
0...1,6 МПа |
|
Питание
|
~220 В или =12...24 В |
|
Принцип действия
|
неполнопроходной |
|
Рабочая среда
|
вода, воздух, горячая вода, инертные газы, спирты |
|
Материал уплотнения
|
PTFE |
|
Тип присоединения
|
резьбовое |
|
Материал корпуса
|
латунь |
|
Диаметр условного прохода
|
15...50 мм |
|
Степень пылевлагозащиты
|
IP54 |
|
Артикул
|
100017450 |
Онлайн:
Добавьте товары в корзину и оформите заказ следуя инструкциям на экране.
Через онлайн-консультанта:
В рамках рабочего времени, воспользуйтесь функцией On-Line консультанта на сайте. Предварительно подготовьте необходимые данные для оформления заказа и доставки.
После оформления заказа
Обработка заказа:
- В среднем, заявки обрабатываются в течении 1-3х часов в рамках рабочего времени (время может варьироваться в зависимости от загруженности менеджеров).
- Заявки, поступившие после 15:00 (МСК) текущего рабочего дня, будут обработаны в следующий рабочий день.
Возможно, менеджеру придется связаться с Вами, для согласования деталей. Пожалуйста, оставайтесь на связи.
Выставление платежных документов
После проверки наличия заказанных позиций на складах и их резервирования, в Ваш адрес будут отправленны счет или квитанция (для частных лиц) для оплаты заказа.
Внимание!
Условия оплаты и доставки, а также сроки отгрузки указываются в выставляемых на оплату документах. Обращайте внимание на условия указанные для Вас!
- Оплата в любом банке, по предварительно выписанной квитанции.
- Онлайн-оплата квитанции, в т.ч. Сбербанк-онлайн и прочие.
- Наличный расчет и оплата картой (Visa, MasterCard, МИР) в пункте самовывоза (только для Ростова-на-Дону)
- Перечисление средств по предварительно выписанному счету. По требованию клиента поставка сопровождается договором купли-продажи.
Условия оплаты и доставки, а так же сроки отгрузки указываются в выставляемых на оплату документах. Обращайте внимание на условия, указанные для Вас!
Доставка заказов осуществляется до терминала транспортной компании в вашем населенном пункте (наличие терминалов уточняйте на сайте ТК). По прибытии заказа в терминал, Вы можете заказать курьерскую "доставку до дверей".
Оплата услуг доставки осуществляется при получении заказа.
Доставка до грузового терминала ТК в пункте отправления (г. Ростов-на-Дону) осуществляется бесплатно! Вы оплачиваете только услуги междугородной перевозки.
Стоимость доставки Почтой России рассчитывается индивидуально и включается в счет/квитанцию.
Выдача товара осуществляется рабочие дни со склада в г. Ростов-на-Дону, по предварительному согласованию с менеджером.
г. Ростов-на-Дону, 2-я Краснодарская 147/2
Пн-Чт: 9:00 - 16:30 Пт: 9:00 - 15:30
Внимание!
Условия оплаты и доставки, а также сроки отгрузки указываются в выставляемых на оплату документах. Обращайте внимание на условия указанные для Вас!
