На сайте отображены не все возможные конфигурации товара доступные для заказа через корзину. Если Вы не нашли необходимый вариант, пожалуйста, свяжитесь с нами по электронной почте, WhatsApp или Telegram для уточнения наличия и стоимости.
Клапан соленоидный нормально закрытый непрямого действия с диафрагмой для управления потоком рабочей среды в трубопроводе.
- Рабочая среда: вода, горячая вода, воздух, масла
- Температура рабочей среды: 0...+110°С
- Рабочее давление: 0,02...0,8 МПа
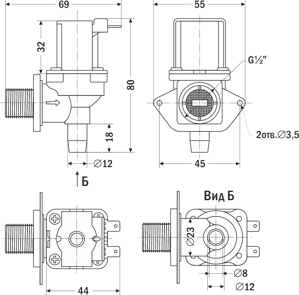
- Диаметр условного прохода: 15 мм
- Материал корпуса: латунь
- Материал уплотнения: EPDM
- Присоединение: вход – резьбовое наруж. G½", выход – штуцер ∅ 12 мм
- Входной фильтр грубой очистки
Клапан соленоидный нормально закрытый непрямого действия с диафрагмой 2DM81PL предназначен для управления потоком рабочей среды в трубопроводе.
- Г-образный;
- Вход – наружная резьба, выход – штуцер
- Входной фильтр грубой очистки
- Съемный кронштейн
- Пониженное энергопотребление
- Ламели для подключения в комплекте
- Компактный размер
- Долгий срок службы
Нормально закрытый соленоидный клапан – это магнитный клапан, в котором закрытое положение сохраняется, если управляющее напряжение на его индукционную катушку не подается. При подаче напряжения на катушку нормально закрытый клапан открывается и пропускает через себя поток рабочей среды. При отключении управляющего напряжения этот клапан автоматически закрывается и перекрывает поток рабочей среды в трубопроводе. При обрыве провода управляющего напряжения клапан будет закрыт.
В большинстве случаев подходит для эксплуатации в системах водоснабжения, теплоснабжения, вентиляции и пневмоуправления. Особенно актуально применение данного типа клапана, когда клапан должен быть закрыт большую часть времени либо когда он обязательно должен быть закрыт при отключении электропитания системы.
Для герметизации резьбовых металлических соединений рекомендуется использование анаэробных герметиков.
Технические характеристики:
| Параметр | Значение | |
| Рабочая среда | Вода, горячая вода, воздух, масла | |
| Материал | Корпуса | Латунь |
| Уплотнения | EPDM | |
| Температура рабочей среды | 0...+110°С | |
| Рабочее давление | 0,02...0,8 МПа | |
| Диаметр условного прохода | 15 мм | |
| Присоединение |
Вход – резьбовое наруж. G½" выход – штуцер ∅ 12 мм |
|
| Катушка | SA41B, IP20 | |
| Питание | =12 В | |
| Мощность | 5 Вт (DC) | |
Модификации:
| Модель | Ду, мм | Kv, м³/ч |
Дэф, |
Присоединение |
Pmin, МПа |
Pmax, МПа |
Вес, г |
| 2DM81PL-15/8-1/2-GBE | 15 | 1,08 | 8 | наруж. ½", штуцер Ø 12 мм | 0,02 | 0,8 | 232 |
Расшифровка обозначения на примере клапана 2DM81PL-15/8-1/2-XYZ::
2DM81PL – модель клапана.
15 – диаметр условного прохода в мм.
8 – эффективный диаметр в мм, если Дэф<Ду
1/2 – размер резьбы в дюймах.
X – присоединение: G – трубная резьба.
Y – материал корпуса: B – латунь.
Z – материал уплотнения: E – EPDM.
Габаритные размеры:
|
Рабочая температура
|
0...+110°С |
|
Модель катушки
|
SA41B |
|
Рабочее давление
|
0,02...0,8 МПа |
|
Питание
|
=12 В |
|
Принцип действия
|
нормально открытый |
|
Рабочая среда
|
вода, воздух, горячая вода, масла |
|
Материал уплотнения
|
EPDM |
|
Тип присоединения
|
резьбовое, штуцер |
|
Присоединение
|
G 1/2", штуцер |
|
Материал корпуса
|
латунь |
|
Диаметр условного прохода
|
15 мм |
|
Напряжение питания
|
AC 220В |
|
Степень пылевлагозащиты
|
IP20 |
|
Мощность
|
5 Вт (DC) |
|
Вес, кг
|
0,232 |
Онлайн:
Добавьте товары в корзину и оформите заказ следуя инструкциям на экране.
Через онлайн-консультанта:
В рамках рабочего времени, воспользуйтесь функцией On-Line консультанта на сайте. Предварительно подготовьте необходимые данные для оформления заказа и доставки.
После оформления заказа
Обработка заказа:
- В среднем, заявки обрабатываются в течении 1-3х часов в рамках рабочего времени (время может варьироваться в зависимости от загруженности менеджеров).
- Заявки, поступившие после 15:00 (МСК) текущего рабочего дня, будут обработаны в следующий рабочий день.
Возможно, менеджеру придется связаться с Вами, для согласования деталей. Пожалуйста, оставайтесь на связи.
Выставление платежных документов
После проверки наличия заказанных позиций на складах и их резервирования, в Ваш адрес будут отправленны счет или квитанция (для частных лиц) для оплаты заказа.
Внимание!
Условия оплаты и доставки, а также сроки отгрузки указываются в выставляемых на оплату документах. Обращайте внимание на условия указанные для Вас!
- Оплата в любом банке, по предварительно выписанной квитанции.
- Онлайн-оплата квитанции, в т.ч. Сбербанк-онлайн и прочие.
- Наличный расчет и оплата картой (Visa, MasterCard, МИР) в пункте самовывоза (только для Ростова-на-Дону)
- Перечисление средств по предварительно выписанному счету. По требованию клиента поставка сопровождается договором купли-продажи.
Условия оплаты и доставки, а так же сроки отгрузки указываются в выставляемых на оплату документах. Обращайте внимание на условия, указанные для Вас!
Доставка заказов осуществляется до терминала транспортной компании в вашем населенном пункте (наличие терминалов уточняйте на сайте ТК). По прибытии заказа в терминал, Вы можете заказать курьерскую "доставку до дверей".
Оплата услуг доставки осуществляется при получении заказа.
Доставка до грузового терминала ТК в пункте отправления (г. Ростов-на-Дону) осуществляется бесплатно! Вы оплачиваете только услуги междугородной перевозки.
Стоимость доставки Почтой России рассчитывается индивидуально и включается в счет/квитанцию.
Выдача товара осуществляется рабочие дни со склада в г. Ростов-на-Дону, по предварительному согласованию с менеджером.
г. Ростов-на-Дону, 2-я Краснодарская 147/2
Пн-Чт: 9:00 - 16:30 Пт: 9:00 - 15:30
Внимание!
Условия оплаты и доставки, а также сроки отгрузки указываются в выставляемых на оплату документах. Обращайте внимание на условия указанные для Вас!
