- AC 24В
- AC 220В
- DC 24В
- ASE11H
- S91H
На сайте отображены не все возможные конфигурации товара доступные для заказа через корзину. Если Вы не нашли необходимый вариант, пожалуйста, свяжитесь с нами по электронной почте, WhatsApp или Telegram для уточнения наличия и стоимости.
Особенности:
- Защита трубопровода от гидравлических ударов благодаря специальной конструкции клапана
- Высокая частота срабатывания
- Долгий срок службы
Принцип действия и область применения:
Нормально закрытый соленоидный клапан – это магнитный клапан, в котором закрытое положение сохраняется, если управляющее напряжение на его индукционную катушку не подается. При подаче напряжения на катушку нормально закрытый клапан открывается и пропускает через себя поток рабочей среды. При отключении управляющего напряжения этот клапан автоматически закрывается и перекрывает поток рабочей среды в трубопроводе. При обрыве провода управляющего напряжения клапан будет закрыт.
В большинстве случаев подходит для эксплуатации в системах водоснабжения, теплоснабжения, вентиляции и пневмоуправления. Особенно актуально применение этого типа клапана, когда клапан должен быть закрыт большую часть времени либо когда он обязательно должен быть закрыт при отключении электропитания системы.
Для защиты клапана от попадания инородных частиц необходима установка фильтра механической очистки перед входным отверстием соленоидного клапана.
Для герметизации резьбовых металлических соединений рекомендуется использование анаэробных герметиков.
Технические характеристики:
|
Параметр |
Значение | |||
|
Рабочая среда |
Вода, горячая вода, воздух, инертные газы, масла, спирт |
|||
|
Материал |
Корпуса |
Латунь |
||
| Уплотнения |
VITON |
|||
|
Температура рабочей среды |
−30...+150°С |
|||
| Рабочее давление |
0,03...1,6 МПа |
|||
| Диаметр условного прохода | 20 мм | |||
| Присоединение | Резьбовое G3/4" | |||
| Пропускная способность Kv, м³/ч |
9,3 |
|||
|
Катушка, питание. |
S91H IP54 | АС 380 В, 220 В, 110 В, 36 В, 24 В (20 ВА);. DC 24 В, 12 В, 6 В (14 Вт) | ||
| ASE11H* IP65 | АС 220 В, 110 В, 24 В (4,5 ВА); DC 24 В, 12 В (8 Вт) | |||
| ASEX543** IP65 | АС 220 В, 110 В, 24 В (23 ВА); DC 24 В, 12 В (13 Вт) | |||
* Использование энергосберегающей катушки ASE11H позволяет снизить температуру нагрева катушки и тем самым продлить срок ее службы в несколько раз.
** Использование взрывозащищенной катушки ASEx543 может привести к уменьшению верхнего предела рабочего давления клапана.
Расшифровка обозначения на примере клапана 2D21-20-3/4-GBV:
2D21 (AR-2D21) – модель клапана.
20 – диаметр условного прохода.
3/4 – размер резьбы, в дюймах.
X – присоединение: G – трубная резьба.
Y – материал корпуса: B – латунь.
Z – материал уплотнения: V – VITON.
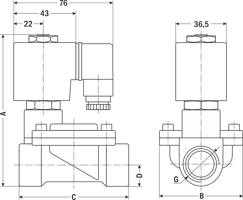
| Габаритные размеры (мм) | ||||||
|
||||||
| A | B | C | D | G | ||
| 111 | 59 | 83 | 16 | 3/4" | ||
|
Рабочая температура
|
+150°С |
|
Модель катушки
|
S91H, ASE11H, ASEx543 |
|
Максимальное давление
|
1,6 МПа |
|
Материал корпуса
|
латунь |
|
Принцип действия
|
нормально закрытый |
|
Рабочая среда
|
вода, воздух, горячая вода, инертные газы, масла, спирты |
|
Материал уплотнения
|
VITON |
|
Тип присоединения
|
резьбовое |
|
Присоединение
|
G 3/4" |
|
Материал корпуса
|
латунь, полиацеталь |
|
Диаметр условного прохода
|
20 мм |
|
Габариты (ВхШхГ), мм
|
11,1х5,9х8,3 |
|
Вес, кг
|
0,970 |
|
Артикул
|
100015642 |
Онлайн:
Добавьте товары в корзину и оформите заказ следуя инструкциям на экране.
Через онлайн-консультанта:
В рамках рабочего времени, воспользуйтесь функцией On-Line консультанта на сайте. Предварительно подготовьте необходимые данные для оформления заказа и доставки.
После оформления заказа
Обработка заказа:
- В среднем, заявки обрабатываются в течении 1-3х часов в рамках рабочего времени (время может варьироваться в зависимости от загруженности менеджеров).
- Заявки, поступившие после 15:00 (МСК) текущего рабочего дня, будут обработаны в следующий рабочий день.
Возможно, менеджеру придется связаться с Вами, для согласования деталей. Пожалуйста, оставайтесь на связи.
Выставление платежных документов
После проверки наличия заказанных позиций на складах и их резервирования, в Ваш адрес будут отправленны счет или квитанция (для частных лиц) для оплаты заказа.
Внимание!
Условия оплаты и доставки, а также сроки отгрузки указываются в выставляемых на оплату документах. Обращайте внимание на условия указанные для Вас!
- Оплата в любом банке, по предварительно выписанной квитанции.
- Онлайн-оплата квитанции, в т.ч. Сбербанк-онлайн и прочие.
- Наличный расчет и оплата картой (Visa, MasterCard, МИР) в пункте самовывоза (только для Ростова-на-Дону)
- Перечисление средств по предварительно выписанному счету. По требованию клиента поставка сопровождается договором купли-продажи.
Условия оплаты и доставки, а так же сроки отгрузки указываются в выставляемых на оплату документах. Обращайте внимание на условия, указанные для Вас!
Доставка заказов осуществляется до терминала транспортной компании в вашем населенном пункте (наличие терминалов уточняйте на сайте ТК). По прибытии заказа в терминал, Вы можете заказать курьерскую "доставку до дверей".
Оплата услуг доставки осуществляется при получении заказа.
Доставка до грузового терминала ТК в пункте отправления (г. Ростов-на-Дону) осуществляется бесплатно! Вы оплачиваете только услуги междугородной перевозки.
Стоимость доставки Почтой России рассчитывается индивидуально и включается в счет/квитанцию.
Выдача товара осуществляется рабочие дни со склада в г. Ростов-на-Дону, по предварительному согласованию с менеджером.
г. Ростов-на-Дону, 2-я Краснодарская 147/2
Пн-Чт: 9:00 - 16:30 Пт: 9:00 - 15:30
Внимание!
Условия оплаты и доставки, а также сроки отгрузки указываются в выставляемых на оплату документах. Обращайте внимание на условия указанные для Вас!
