На сайте отображены не все возможные конфигурации товара доступные для заказа через корзину. Если Вы не нашли необходимый вариант, пожалуйста, свяжитесь с нами по электронной почте, WhatsApp или Telegram для уточнения наличия и стоимости.
Электропривод поворотный для дистанционного и местного управления шаровыми кранами
- Время поворота на 90°: 28...33 с
- Крутящий момент: 10 Н∙м
- Управление: ручное и по сети Wi-Fi
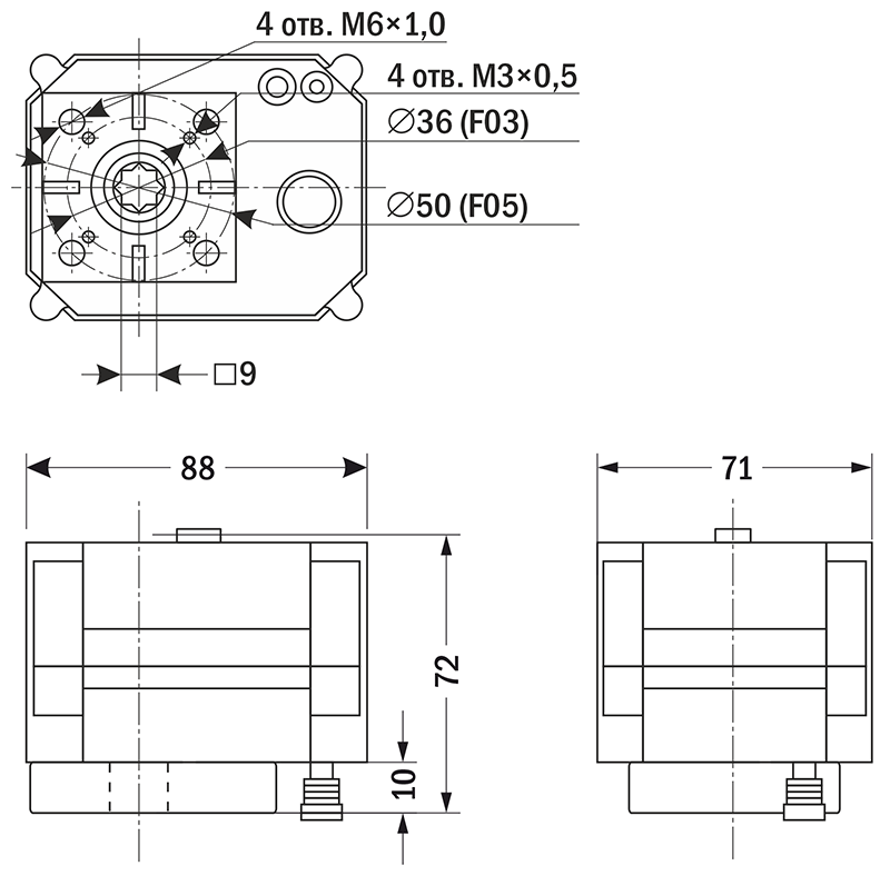
- Размеры присоединительных фланцев привода: ∅36 мм (F03) и ∅50 мм (F05)
- Присоединение по стандарту ISO 5211
- Питание: =5 В
- Степень пылевлагозащиты IP65
Электроприводы ЭПР2-WF устанавливаются на шаровые краны, имеющие присоединительную площадку по стандарту ISO 5211, для управления потоком рабочей среды в трубопроводе.
Шаровые краны в сборе с электроприводами ЭПР2-WF широко применяются в различных отраслях промышленности, сельском хозяйстве, ЖКХ, в системах водоснабжения и водоочистки и т.д. для управления потоком рабочей среды в трубопроводе.
Прежнее название привода: ЭПР5-WF
Особенности:
- Приводы устанавливаются на краны ISO 5211: КПР-1 с Ду от 15 до 50 мм
- Управление: ручное (кнопкой на корпусе) и по сети Wi-Fi (через приложение на смартфоне)
- Удаленное управление, совместный доступ к устройству, синхронизация с системой «Умный дом»
- Автоматический режим работы: открытие/закрытие крана по заданному расписанию (день недели, время, степень открытия крана)
- Простое и понятное приложение под мобильные операционные системы iOS и Android
- Кабель для подключения USB-A в комплекте
Технические характеристики:
| Параметр | Значение |
| Время полного поворота на 90° | 28...33 с |
| Время полного закрытия при отключении питания | 29...35 с |
| Крутящий момент | 10 Н∙м |
| Степень пылевлагозащиты | IP65 |
| Питание, пусковой ток | =5 В, 2 А |
| Ток потребления | ≤ 200 мА |
| Управление | Ручное, по Wi-Fi |
| Длина кабеля | 2000 мм |
| Вес | 420 г |
Электропривод ЭПР2-WF в сборе с краном КПР-1 обеспечивает поворот шара, перекрывающего проходящий через кран поток жидкости/газа. Управление электроприводом осуществляется непосредственно кнопкой на корпусе привода (только полное открытие/закрытие крана) или с помощью мобильного приложения по сети Wi-Fi (регулировка степени открытия/закрытия крана, задание расписания работы привода, тайминга, синхронизация с параметрами окружающей среды, сопряжение с устройствами с системой «Умный дом»). Мобильное приложение предусматривает удаленный и совместный доступ к управлению электроприводом.
Габаритные размеры:
Онлайн:
Добавьте товары в корзину и оформите заказ следуя инструкциям на экране.
Через онлайн-консультанта:
В рамках рабочего времени, воспользуйтесь функцией On-Line консультанта на сайте. Предварительно подготовьте необходимые данные для оформления заказа и доставки.
После оформления заказа
Обработка заказа:
- В среднем, заявки обрабатываются в течении 1-3х часов в рамках рабочего времени (время может варьироваться в зависимости от загруженности менеджеров).
- Заявки, поступившие после 15:00 (МСК) текущего рабочего дня, будут обработаны в следующий рабочий день.
Возможно, менеджеру придется связаться с Вами, для согласования деталей. Пожалуйста, оставайтесь на связи.
Выставление платежных документов
После проверки наличия заказанных позиций на складах и их резервирования, в Ваш адрес будут отправленны счет или квитанция (для частных лиц) для оплаты заказа.
Внимание!
Условия оплаты и доставки, а также сроки отгрузки указываются в выставляемых на оплату документах. Обращайте внимание на условия указанные для Вас!
- Оплата в любом банке, по предварительно выписанной квитанции.
- Онлайн-оплата квитанции, в т.ч. Сбербанк-онлайн и прочие.
- Наличный расчет и оплата картой (Visa, MasterCard, МИР) в пункте самовывоза (только для Ростова-на-Дону)
- Перечисление средств по предварительно выписанному счету. По требованию клиента поставка сопровождается договором купли-продажи.
Условия оплаты и доставки, а так же сроки отгрузки указываются в выставляемых на оплату документах. Обращайте внимание на условия, указанные для Вас!
Доставка заказов осуществляется до терминала транспортной компании в вашем населенном пункте (наличие терминалов уточняйте на сайте ТК). По прибытии заказа в терминал, Вы можете заказать курьерскую "доставку до дверей".
Оплата услуг доставки осуществляется при получении заказа.
Доставка до грузового терминала ТК в пункте отправления (г. Ростов-на-Дону) осуществляется бесплатно! Вы оплачиваете только услуги междугородной перевозки.
Стоимость доставки Почтой России рассчитывается индивидуально и включается в счет/квитанцию.
Выдача товара осуществляется рабочие дни со склада в г. Ростов-на-Дону, по предварительному согласованию с менеджером.
г. Ростов-на-Дону, 2-я Краснодарская 147/2
Пн-Чт: 9:00 - 16:30 Пт: 9:00 - 15:30
Внимание!
Условия оплаты и доставки, а также сроки отгрузки указываются в выставляемых на оплату документах. Обращайте внимание на условия указанные для Вас!
