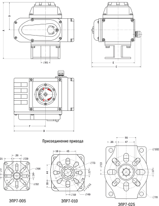
- ЭПР7-005
- ЭПР7-010
- ЭПР7-025
- =24
- ~220 В
На сайте отображены не все возможные конфигурации товара доступные для заказа через корзину. Если Вы не нашли необходимый вариант, пожалуйста, свяжитесь с нами по электронной почте, WhatsApp или Telegram для уточнения наличия и стоимости.
Привод для дистанционного и местного управления запорной арматурой таких типов, как кран шаровой, затвор поворотный и т. п.
- Время поворота на 90°: 15...30 с
- Крутящий момент: 50...250 Н∙м
- Угол поворота выходного вала: 90° ± 10°
- Присоединение по стандарту ISO 5211
- Питание: ~220 В, =24 В
- Ручной дублер, используемый в случае отказа электропитания или для настройки электропривода
- Степень пылевлагозащиты: IP67
Особенности:
- Поставляется в сборе с монтажным крепежом КМКУ и переходником ПМКУ
- Привод устанавливается вертикально присоединением ISO 5211 вниз
- Высокий крутящий момент
- Встроенная защита от перегрева
- Конечные выключатели для отключения двигателя в крайних положениях
- Отдельная цепь с конечными выключателями для подключения/отключения внешней нагрузки
- Механическое ограничение поворота выходного вала (два настраиваемых упора)
- Индикатор положения затвора
Технические характеристики:
| Параметр | Значение |
| Тип двигателя | Асинхронный |
| Питание | ~220 B или =24 В |
| Время поворота на 90° |
15 с для =24 В, 30 с для ~220 В |
| Угол поворота выходного вала | 90° ± 10° |
| Механическое ограничение поворота выходного вала | 2 настраиваемых упора |
| Защита от перегрева/рабочая температура двигателя |
Встроенная термозащита: вкл. 120°C ± 5°C/откл. 97°C ± 5°C |
| Условия эксплуатации | −20...+70°C, ≤ 90%RH |
Модификации:
| Модель электропривода | Крутящий момент, Н∙м |
Коммутационная способность конечных выключателей |
Посадочный размер (с КМКУ и ПМКУ) |
Вес, г | |
| Квадрат | Глубина | ||||
| ЭПР7-005 | 50 | ~5 A, 250 B | 14×14 | 19 | 2566 |
| ЭПР7-010 | 100 | ~10 A, 250 B | 17×17 | 24 | 4513 |
| ЭПР7-025 | 250 | ~10 A, 250 B | 17×17 | 33 | 7560 |
Таблица выбора электропривода ЭПР7:
| Модель привода | Ду крана/затвора КПР, мм | ||||||||||
| -2 | -3 | -2Ф | -3Ф | -Т3-L -T3-T |
-Т3Ф |
-Б7 |
|||||
|
|
|
|
|
|
|
|||||
|
ЭПР7-005 |
15-50 |
15-32 | - |
- |
|||||||
| ЭПР7-010 |
25-80 |
25-50 |
50-65 | 50-80 | |||||||
| ЭПР7-025 |
40-100 |
40-50 |
50-65 | 50-150 | |||||||
Если посадочный размер привода больше посадочного размера крана, то нужно использовать переходник типа «звезда-квадрат» ПП84, при необходимости – в комбинации с переходником «квадрат-квадрат» ПП44.
Габаритные размеры:

| Модель | Размеры, мм |
Габаритные размеры, мм |
||||||
| A | B | C | D | E | F | ∅R1 | ||
| ЭПР7-005 | 152 | 166 | 140 | 74 | 122 | 82 | 25 | 152×166×140 |
| ЭПР7-010 | 181 | 215 | 150 | 82 | 130 | 96 | 30 | 181×215×150 |
| ЭПР7-025 | 220 | 260 | 175 | 93 | 155 | 124 | 40 | 220×260×175 |
Онлайн:
Добавьте товары в корзину и оформите заказ следуя инструкциям на экране.
Через онлайн-консультанта:
В рамках рабочего времени, воспользуйтесь функцией On-Line консультанта на сайте. Предварительно подготовьте необходимые данные для оформления заказа и доставки.
После оформления заказа
Обработка заказа:
- В среднем, заявки обрабатываются в течении 1-3х часов в рамках рабочего времени (время может варьироваться в зависимости от загруженности менеджеров).
- Заявки, поступившие после 15:00 (МСК) текущего рабочего дня, будут обработаны в следующий рабочий день.
Возможно, менеджеру придется связаться с Вами, для согласования деталей. Пожалуйста, оставайтесь на связи.
Выставление платежных документов
После проверки наличия заказанных позиций на складах и их резервирования, в Ваш адрес будут отправленны счет или квитанция (для частных лиц) для оплаты заказа.
Внимание!
Условия оплаты и доставки, а также сроки отгрузки указываются в выставляемых на оплату документах. Обращайте внимание на условия указанные для Вас!
- Оплата в любом банке, по предварительно выписанной квитанции.
- Онлайн-оплата квитанции, в т.ч. Сбербанк-онлайн и прочие.
- Наличный расчет и оплата картой (Visa, MasterCard, МИР) в пункте самовывоза (только для Ростова-на-Дону)
- Перечисление средств по предварительно выписанному счету. По требованию клиента поставка сопровождается договором купли-продажи.
Условия оплаты и доставки, а так же сроки отгрузки указываются в выставляемых на оплату документах. Обращайте внимание на условия, указанные для Вас!
Доставка заказов осуществляется до терминала транспортной компании в вашем населенном пункте (наличие терминалов уточняйте на сайте ТК). По прибытии заказа в терминал, Вы можете заказать курьерскую "доставку до дверей".
Оплата услуг доставки осуществляется при получении заказа.
Доставка до грузового терминала ТК в пункте отправления (г. Ростов-на-Дону) осуществляется бесплатно! Вы оплачиваете только услуги междугородной перевозки.
Стоимость доставки Почтой России рассчитывается индивидуально и включается в счет/квитанцию.
Выдача товара осуществляется рабочие дни со склада в г. Ростов-на-Дону, по предварительному согласованию с менеджером.
г. Ростов-на-Дону, 2-я Краснодарская 147/2
Пн-Чт: 9:00 - 16:30 Пт: 9:00 - 15:30
Внимание!
Условия оплаты и доставки, а также сроки отгрузки указываются в выставляемых на оплату документах. Обращайте внимание на условия указанные для Вас!
