- G1/4"
- NPSF1/8"
- G3/4"
- есть
- нет
На сайте отображены не все возможные конфигурации товара доступные для заказа через корзину. Если Вы не нашли необходимый вариант, пожалуйста, свяжитесь с нами по электронной почте, WhatsApp или Telegram для уточнения наличия и стоимости.
Прибор для создания вакуума с помощью кинетической энергии струи сжатого воздуха.
- Рабочая среда: сжатый воздух без содержания масла
- Максимальный вакуум: −92 кПа
- Максимальный вакуумный расход: 360...1200 л/мин
- Расход воздуха: 116...655 л/мин
- Рабочее давление: 0,34 МПа
- Уровень шума: 80...82 дБА
- Материал соединительной плиты: полифениленсульфид (PPS) или алюминиевый сплав
- Материал уплотнения: NBR
- Присоединение: G¾", G1" – выход вакуума; NPSF⅛", G¼" – вход сжатого воздуха; G¾", G1" – порт сброса
- Внешний глушитель и манометр (в комплекте)
- Система энергосбережения (опционально)
Особенности:
- Высокая всасывающая способность
- Для условий работы, требующих значительного расхода вакуума, быстрого откачивания и небольшого расхода воздуха
- Подходит для обработки пористых материалов, например картонных коробок, упаковочных материалов
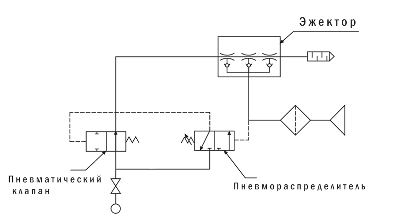
- Система энергосбережения состоит из пневмораспределителя и пневматического клапана (опционально только для моделей AM-25L/50L)
- Обратный клапан (опционально)
- Манометр в комплекте с возможностью установки в 2 разных порта по обе стороны корпуса
- Гермоввод для входа сжатого воздуха в комплекте (кроме моделей с системой энергосбережения)
- Быстрый сброс вакуума
- Многоступенчатый (три сопла)
- Отсутствуют подвижные элементы, что увеличивает срок службы и упрощает обслуживание
- Крепления на стену в комплекте
Области применения:
- Упаковочная промышленность
- Пищевая промышленность
- Промышленные роботы
- Погрузочно-разгрузочные работы
- Автомобильная промышленность
- Обработка листового металла
- Деревообработка
Принцип работы:
В основе работы эжектора лежит эффект Вентури. Сжатый воздух входит через порт Р и проходит через систему сопел, выстроенных в цепочку. В результате возникает область падения давления (вакуум), что вызывает подсос воздуха через порт вакуума V. Втянутый и сжатый воздух смешиваются и удаляются от места всасывания энергией сжатого воздуха, а далее сбрасываются через порт сброса (выхлопа) С с глушителем.
Пример использования:
Пневматическая схема для модели с энергосбережением:
Технические характеристики:
| Параметр | Значение |
| Рабочая среда | Сжатый воздух без содержания масла |
| Максимальный вакуум | −92 кПа |
| Максимальный вакуумный расход | 360...1200 л/мин |
| Потребление воздуха | 116...655 л/мин |
| Рабочее давление | 0,34 МПа |
| Уровень шума | 80...82 дБА |
| Рабочая температура | −10...+80°C |
| Присоединение |
G¾", G1" – выход вакуума; NPSF⅛", G¼" – вход сжатого воздуха; G¾", G1" – порт сброса |
| Характеристики пневмораспределителя | |
| Рабочее давление воздуха | 0,15...0,8 МПа |
| Диапазон устанавливаемого давления | −15...−95 кПа |
| Гистерезис | 12 кПа |
| Тип | НЗ (нормально закрытый) |
| Рабочая температура | −10...+60°C |
|
Характеристики пневматического клапана |
|
| Рабочее давление воздуха | 0,1...0,8 МПа |
| Тип | НО (нормально открытый) |
| Рабочая температура | 0...+60°C |
Модификации прибора. Обозначение для заказа:
- 1 – Модификация:
– ...
– 150L
- 2 – Соединительная плита (характеристики см. в таблице):
– AD
- 3 – Материал уплотнения:
- 4 – Обратный клапан:
– А – есть
– пусто – нет
- 5 – Система энергосбережения:
– ES – есть
– пусто – нет
Соединительная плита:
|
Модель соединительной плиты |
Выход вакуума |
Вход сжатого воздуха |
Порт сброса |
Материал |
Модель эжектора |
| D | G¾" | NPSF⅛" | G¾" |
Полифенилсульфид (PPS) |
AM25L...100L |
| G1" | G¼" | G1" | AM125L...150L | ||
| AD | G¾" | G¼" | G¾" | Алюминиевый сплав | AM25L...100L |
| G1" | G¼" | G1" | AM125L...150L |
Модификации:
| Модель |
Макс. вакуум, кПа |
Макс. вакуумный расход, л/мин |
Расход воздуха, л/мин |
Уровень шума, дБА | Габаритные размеры, мм |
|
Номинальное рабочее давление 0,34 МПа |
|||||
| AM25L |
–92 |
360 | 116 | 80 | 201×193×64 |
| AM50L | 600 | 230 |
81 |
||
| AM75L | 760 | 365 | 221×193×64 | ||
| AM100L | 850 | 445 | |||
| AM125L | 1150 | 545 | 82 | 239×193×64 | |
| AM150L | 1200 | 655 | |||
|
Номинальное рабочее давление 0,6 МПа |
|||||
| AM25L |
–89 |
420 | 185 | 80 | 201×193×64 |
| AM50L | 700 | 370 |
81 |
||
| AM75L | 950 | 610 | 221×193×64 | ||
| AM100L | 1010 | 720 | |||
| AM125L | 1400 | 780 | 82 | 239×193×64 | |
| AM150L | 1500 | 810 | |||
Габаритные размеры:

Размеры системы энергосбережения

|
Модель |
Размеры, мм | |||||||
| G1 (вход сжатого воздуха) |
G2 |
G3 (выход вакуума) |
G4 (порт сброса) |
H | H1 | H3 | ||
| плита D | плита AD | |||||||
| AM25L, AM50L | NPSF⅛″ | G¼″ | G⅛″ | G¾″ | G¾″ | 45 | 169 | 201 |
| AM75L, AM100L | NPSF⅛″ | G¼″ | G⅛″ | G¾″ | G¾″ | 65 | 189 | 221 |
| AM125L, AM150L | G¼″ | G¼″ | G⅛″ | G1″ | G1″ | 85 | 205 | 239 |
|
Рабочая температура
|
−10...+80°C |
|
Рабочая среда
|
сжатый воздух без содержания масла |
|
Материал уплотнения
|
NBR |
|
Присоединение
|
G 1", G 1/4", G 3/4" |
|
Максимальный вакуум
|
−92 кПа |
|
Максимальный вакуумный расход
|
360...1200 л/мин |
|
Потребление сжатого воздуха
|
116...655 л/мин |
|
Диапазон рабочего давления
|
0,34 МПа |
|
Артикул
|
100004682 |
Онлайн:
Добавьте товары в корзину и оформите заказ следуя инструкциям на экране.
Через онлайн-консультанта:
В рамках рабочего времени, воспользуйтесь функцией On-Line консультанта на сайте. Предварительно подготовьте необходимые данные для оформления заказа и доставки.
После оформления заказа
Обработка заказа:
- В среднем, заявки обрабатываются в течении 1-3х часов в рамках рабочего времени (время может варьироваться в зависимости от загруженности менеджеров).
- Заявки, поступившие после 15:00 (МСК) текущего рабочего дня, будут обработаны в следующий рабочий день.
Возможно, менеджеру придется связаться с Вами, для согласования деталей. Пожалуйста, оставайтесь на связи.
Выставление платежных документов
После проверки наличия заказанных позиций на складах и их резервирования, в Ваш адрес будут отправленны счет или квитанция (для частных лиц) для оплаты заказа.
Внимание!
Условия оплаты и доставки, а также сроки отгрузки указываются в выставляемых на оплату документах. Обращайте внимание на условия указанные для Вас!
- Оплата в любом банке, по предварительно выписанной квитанции.
- Онлайн-оплата квитанции, в т.ч. Сбербанк-онлайн и прочие.
- Наличный расчет и оплата картой (Visa, MasterCard, МИР) в пункте самовывоза (только для Ростова-на-Дону)
- Перечисление средств по предварительно выписанному счету. По требованию клиента поставка сопровождается договором купли-продажи.
Условия оплаты и доставки, а так же сроки отгрузки указываются в выставляемых на оплату документах. Обращайте внимание на условия, указанные для Вас!
Доставка заказов осуществляется до терминала транспортной компании в вашем населенном пункте (наличие терминалов уточняйте на сайте ТК). По прибытии заказа в терминал, Вы можете заказать курьерскую "доставку до дверей".
Оплата услуг доставки осуществляется при получении заказа.
Доставка до грузового терминала ТК в пункте отправления (г. Ростов-на-Дону) осуществляется бесплатно! Вы оплачиваете только услуги междугородной перевозки.
Стоимость доставки Почтой России рассчитывается индивидуально и включается в счет/квитанцию.
Выдача товара осуществляется рабочие дни со склада в г. Ростов-на-Дону, по предварительному согласованию с менеджером.
г. Ростов-на-Дону, 2-я Краснодарская 147/2
Пн-Чт: 9:00 - 16:30 Пт: 9:00 - 15:30
Внимание!
Условия оплаты и доставки, а также сроки отгрузки указываются в выставляемых на оплату документах. Обращайте внимание на условия указанные для Вас!
