- 50
- 100
- 150
- 200
На сайте отображены не все возможные конфигурации товара доступные для заказа через корзину. Если Вы не нашли необходимый вариант, пожалуйста, свяжитесь с нами по электронной почте, WhatsApp или Telegram для уточнения наличия и стоимости.
Насос соленоидный миниатюрный для перекачки воды
- Рабочая среда: вода
- Температура эксплуатации: +10…+35°С
- Максимальное давление: 0,25 МПа
- Материал корпуса: нейлон
- Материал уплотнения: VITON
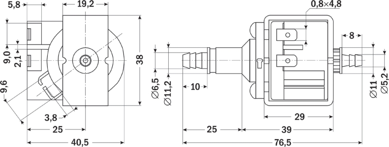
- Присоединение: вход – ∅ 5,2 мм, выход – ∅ 6,5 мм
Насос соленоидный миниатюрный AR-YCSP предназначен для перекачки воды.
Соленоидные (поршневые) насосы могут использоваться в устройствах для чистки и глажки водяным паром, парогенераторах, генераторах сценического дыма, поломоечных машинах. Работа насоса «всухую» допускается только в процессе заливки.
Особенности:
- Непрерывный режим работы
- Компактные размеры
- Ламели для подключения в комплекте
Технические характеристики:
| Параметр | Значение |
| Рабочая среда | Вода |
| Материал |
Корпуса: нейлон Уплотнения: VITON |
| Температура эксплуатации | +10…+35°С |
| Оптимальная температура воды | +25°С |
| Максимальное давление | 0,25 МПа |
| Присоединение | Вход – ∅ 5,2 мм, выход – ∅ 6,5 мм |
| Питание, частота, мощность | ~220 В, 50 Гц, 16 Вт |
| Габаритные размеры | 38×76,5×40,5 мм |
Модификации:
| Модель | Расход, см³/мин.* | Pmax, МПа | Шум, дБА, 20 см | Номинальная мощность, Вт | ΔТ, °С ≤ | Режим работы | Вес, г |
| AR-YCSP-01025 | 50 | 0,25 | 50 | 16 | 115 | Непрерывный | 100 |
| AR-YCSP-02025 | 100 | 109 | |||||
| AR-YCSP-03025 | 150 | 112 | |||||
| AR-YCSP-04025 | 200 | 114 |
* При нулевом давлении.
Габаритные размеры:
|
Рабочая температура
|
+10…+35°С |
|
Максимальное давление
|
0.25 МПа |
|
Питание
|
~220 В, 50 Гц, 16 Вт |
|
Рабочая среда
|
вода |
|
Материал уплотнения
|
VITON |
|
Присоединение
|
∅ 5.2 мм, ∅ 6.5 мм |
|
Материал корпуса
|
нейлон |
|
Габариты (ВхШхГ), мм
|
38×76.5×40.5 |
|
Артикул
|
140002005 |
|
Вес, г
|
114 |
Онлайн:
Добавьте товары в корзину и оформите заказ следуя инструкциям на экране.
Через онлайн-консультанта:
В рамках рабочего времени, воспользуйтесь функцией On-Line консультанта на сайте. Предварительно подготовьте необходимые данные для оформления заказа и доставки.
После оформления заказа
Обработка заказа:
- В среднем, заявки обрабатываются в течении 1-3х часов в рамках рабочего времени (время может варьироваться в зависимости от загруженности менеджеров).
- Заявки, поступившие после 15:00 (МСК) текущего рабочего дня, будут обработаны в следующий рабочий день.
Возможно, менеджеру придется связаться с Вами, для согласования деталей. Пожалуйста, оставайтесь на связи.
Выставление платежных документов
После проверки наличия заказанных позиций на складах и их резервирования, в Ваш адрес будут отправленны счет или квитанция (для частных лиц) для оплаты заказа.
Внимание!
Условия оплаты и доставки, а также сроки отгрузки указываются в выставляемых на оплату документах. Обращайте внимание на условия указанные для Вас!
- Оплата в любом банке, по предварительно выписанной квитанции.
- Онлайн-оплата квитанции, в т.ч. Сбербанк-онлайн и прочие.
- Наличный расчет и оплата картой (Visa, MasterCard, МИР) в пункте самовывоза (только для Ростова-на-Дону)
- Перечисление средств по предварительно выписанному счету. По требованию клиента поставка сопровождается договором купли-продажи.
Условия оплаты и доставки, а так же сроки отгрузки указываются в выставляемых на оплату документах. Обращайте внимание на условия, указанные для Вас!
Доставка заказов осуществляется до терминала транспортной компании в вашем населенном пункте (наличие терминалов уточняйте на сайте ТК). По прибытии заказа в терминал, Вы можете заказать курьерскую "доставку до дверей".
Оплата услуг доставки осуществляется при получении заказа.
Доставка до грузового терминала ТК в пункте отправления (г. Ростов-на-Дону) осуществляется бесплатно! Вы оплачиваете только услуги междугородной перевозки.
Стоимость доставки Почтой России рассчитывается индивидуально и включается в счет/квитанцию.
Выдача товара осуществляется рабочие дни со склада в г. Ростов-на-Дону, по предварительному согласованию с менеджером.
г. Ростов-на-Дону, 2-я Краснодарская 147/2
Пн-Чт: 9:00 - 16:30 Пт: 9:00 - 15:30
Внимание!
Условия оплаты и доставки, а также сроки отгрузки указываются в выставляемых на оплату документах. Обращайте внимание на условия указанные для Вас!
