- ГЗ-Н-112
- ГЗ-Н-113
- ГЗ-Н-132
- ГЗ-Н-133
- ГЗ-Н-312
- ГЗ-Н-313
- ГЗ-Н-332
- ГЗ-Н-333
- 60
- 80
- 100
На сайте отображены не все возможные конфигурации товара доступные для заказа через корзину. Если Вы не нашли необходимый вариант, пожалуйста, свяжитесь с нами по электронной почте, WhatsApp или Telegram для уточнения наличия и стоимости.
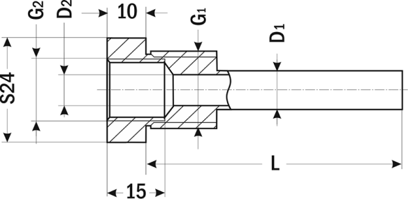
Гильзы защитные ГЗ-Н предназначены для установки термодатчиков на объектах измерения, повышают устойчивость датчика к воздействию агрессивных измеряемых сред и обеспечивают защиту от давления рабочей среды. Позволяют производить монтаж и замену датчиков температуры без нарушения герметизации системы
Особенности:
- Совместимы с датчиками диаметром, не превышающим D2 (см. чертеж), и резьбовым штуцером M20×1,5, M16×1,5 или G½" например ТП-А-4102, ТС-А-4102
- Для крепления датчиков без штуцера можно использовать гермоввод с подходящей резьбой, например ARGP, ARGM
Технические характеристики:
| Параметр | Значение |
| Условное давление | 2,5 МПа |
| Температура среды | до +800°С |
| Длина погружной части (L) |
стандарт: 60 мм, 75 мм, 80 мм, 95 мм, 100 мм, 115 мм по заказу: 50 мм, 120 мм, 160 мм, 200 мм, 250 мм, 320 мм |
| Внутренний диаметр (D2) | 6,1 мм, 8,1 мм |
| Наружный диаметр (D1) | 8 мм, 10 мм |
| Внешняя резьба (G1) | М20×1,5, G½" |
| Внешняя резьба (G2) |
M20×1,5, M16×1,5, G½" |
| Материал | коррозионно-стойкая сталь 08Х18Н10 |
| Модель | Давление, МПа | G1 | G2 | D1, мм | D2, мм |
| ГЗ-Н-112 | 2,5 | M20×1,5 | M20×1,5 | 10 | 8,1 |
| ГЗ-Н-113 | 2,5 | M20×1,5 | M20×1,5 | 8 | 6,1 |
| ГЗ-Н-172 | 2,5 | M20×1,5 | M20×1,5 | 10 | 8,1 |
| ГЗ-Н-173 | 2,5 | M20×1,5 | M20×1,5 | 8 | 6,1 |
| ГЗ-Н-132 | 2,5 | M20×1,5 | G½" | 10 | 8,1 |
| ГЗ-Н-133 | 2,5 | M20×1,5 | G½" | 8 | 6,1 |
| ГЗ-Н-312 | 2,5 | G½" | M20×1,5 | 10 | 8,1 |
| ГЗ-Н-313 | 2,5 | G½" | M20×1,5 | 8 | 6,1 |
| ГЗ-Н-372 | 2,5 | G½" | M20×1,5 | 10 | 8,1 |
| ГЗ-Н-373 | 2,5 | G½" | M20×1,5 | 8 | 6,1 |
| ГЗ-Н-332 | 2,5 | G½" | G½" | 10 | 8,1 |
| ГЗ-Н-333 | 2,5 | G½" | G½" | 8 | 6,1 |
| Габаритные размеры |
|
Онлайн:
Добавьте товары в корзину и оформите заказ следуя инструкциям на экране.
Через онлайн-консультанта:
В рамках рабочего времени, воспользуйтесь функцией On-Line консультанта на сайте. Предварительно подготовьте необходимые данные для оформления заказа и доставки.
После оформления заказа
Обработка заказа:
- В среднем, заявки обрабатываются в течении 1-3х часов в рамках рабочего времени (время может варьироваться в зависимости от загруженности менеджеров).
- Заявки, поступившие после 15:00 (МСК) текущего рабочего дня, будут обработаны в следующий рабочий день.
Возможно, менеджеру придется связаться с Вами, для согласования деталей. Пожалуйста, оставайтесь на связи.
Выставление платежных документов
После проверки наличия заказанных позиций на складах и их резервирования, в Ваш адрес будут отправленны счет или квитанция (для частных лиц) для оплаты заказа.
Внимание!
Условия оплаты и доставки, а также сроки отгрузки указываются в выставляемых на оплату документах. Обращайте внимание на условия указанные для Вас!
- Оплата в любом банке, по предварительно выписанной квитанции.
- Онлайн-оплата квитанции, в т.ч. Сбербанк-онлайн и прочие.
- Наличный расчет и оплата картой (Visa, MasterCard, МИР) в пункте самовывоза (только для Ростова-на-Дону)
- Перечисление средств по предварительно выписанному счету. По требованию клиента поставка сопровождается договором купли-продажи.
Условия оплаты и доставки, а так же сроки отгрузки указываются в выставляемых на оплату документах. Обращайте внимание на условия, указанные для Вас!
Доставка заказов осуществляется до терминала транспортной компании в вашем населенном пункте (наличие терминалов уточняйте на сайте ТК). По прибытии заказа в терминал, Вы можете заказать курьерскую "доставку до дверей".
Оплата услуг доставки осуществляется при получении заказа.
Доставка до грузового терминала ТК в пункте отправления (г. Ростов-на-Дону) осуществляется бесплатно! Вы оплачиваете только услуги междугородной перевозки.
Стоимость доставки Почтой России рассчитывается индивидуально и включается в счет/квитанцию.
Выдача товара осуществляется рабочие дни со склада в г. Ростов-на-Дону, по предварительному согласованию с менеджером.
г. Ростов-на-Дону, 2-я Краснодарская 147/2
Пн-Чт: 9:00 - 16:30 Пт: 9:00 - 15:30
Внимание!
Условия оплаты и доставки, а также сроки отгрузки указываются в выставляемых на оплату документах. Обращайте внимание на условия указанные для Вас!
